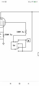
Bueno, primera sorpresa, el interruptor de encendido estaba roto ha sido desmontarlo y la palanca estaba suelta así que empezamos a tirar del hilo, el selector triodo/pentodo es exactamente igual, podría desconectar los cables del segundo selector y conectarle los de entrada de corriente pero no sé cómo dejarlo fijo en pentodo es decir tendria que puentear alguno de los 3 cables de la foto o con retirarlo es suficiente? Gracias!
X
Últimos días
Amplificador Blackheart quema fusible y no enciende.
OFERTAS Ver todas
-
-11%Ibanez AE340FMH-MHS
-
-20%IK Multimedia ToneX One Joe Satriani Ltd Ed.
-
-37%IK Multimedia ToneX One
#17 tras sustituir el switch me sigue haciendo lo mismo en el momento que enciendo quema el fusible. Estoy midiendo el primario y entre marron 240v y negro 0v me da una resistencia de +/- 24 ohm. Entre Rojo 275/275 y naranja 0 me da una resistencia de 85 ohm y entre verde 6.3v y 0v da 2.5 ohm y amarillos 5v y 0v 2.5 ohm, si no me equivoco el transformador está bien no?
#19 los dos cables rojos me dan diferente impedancia uno por encima de 80 y otro unos 45 ohmios no sé si será normal, he medido los diodos me marcan 720 en polimetro, he comprobado las resistencias y bien también, los condensadores no tengo capacimetro para comprobarlos el puente rectificador no lo he quitado es lo qm queda por comprobar.
#21 si si, los fusibles de la placa no se inmutan, entiendo entonces que los valores que me da el trafo son correctos. Toca descartar capacitadores y rectificadora, me recomendáis cambiarlos directamente? Son los grandes de filtrado los que habría que repasar cierto? Gracias de nuevo por las respuestas. Te resumo lo que he descartado, el cable, el socket del enchufe no tiene corto revisados positivo,neutro y tierra, los cables del socket al switch tienen continuidad, el switch lo cambié y seguía saltando el fusible y el trafo me da las medidas que he puesto. Pregunta tonta debería de darme continuidad desde el 240v del primario hasta el 275v del secundario? Puede que no haya paso de uno a otro?
Nuevo post
Regístrate o identifícate para poder postear en este hilo
