Buenas!
Estoy cambiando las válvulas a mi Vox AC15HTVH y he comprado una 7025 para ponerla en primera posición, pero el esquema que aparece en el manual de servicio me genera confusión, lo adjunto.
Según este esquema, ¿tengo que poner la 7025 donde ellos llaman V4?
Gracias.
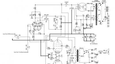
Estoy cambiando las válvulas a mi Vox AC15HTVH y he comprado una 7025 para ponerla en primera posición, pero el esquema que aparece en el manual de servicio me genera confusión, lo adjunto.
Según este esquema, ¿tengo que poner la 7025 donde ellos llaman V4?
Gracias.
Responder
Citar
