Hola gente del foro, hace poco encontré en el EMULE unas PCBs, que supuestamente, son del este VOX AC30. Tambien las medidas de la caja o pantalla.
A ver quien se anima a hacerlo?
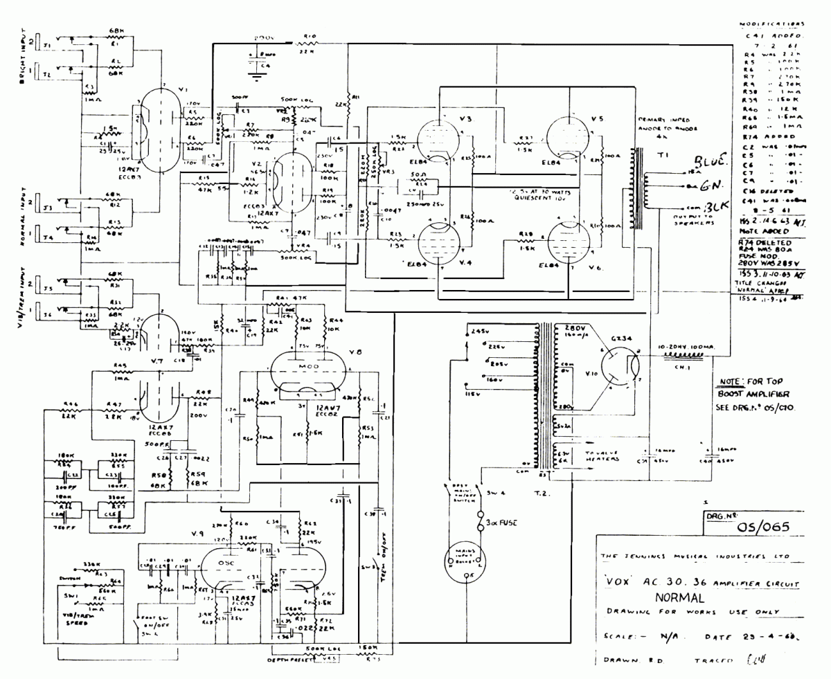
Seria bueno que lo mire alguien que sepa del tema, en el ultimo link les dejo unos circuito que venían con las pcb, pero no se, hay muchos.
[ Imagen externa no disponible ]
[ Imagen externa no disponible ]
[ Imagen externa no disponible ]
http://www.sendspace.com/file/jvblny
A ver quien se anima a hacerlo?
Seria bueno que lo mire alguien que sepa del tema, en el ultimo link les dejo unos circuito que venían con las pcb, pero no se, hay muchos.
[ Imagen externa no disponible ]
[ Imagen externa no disponible ]
[ Imagen externa no disponible ]
http://www.sendspace.com/file/jvblny
