Hola a todos,
Pues nada, que me picó la curiosidad por los amplis gibson y las válvulas rectificadoras, así que me monté uno con lo que tenía.
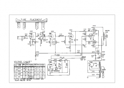
El diseño original (creo que del 59) era un combo, pero no tenía ganas de gastarme la pasta en un altavoz que tampoco sería el mismo que el original. Consta de una rectificadora 5Y3, salida push-pull de 6BM8, inversora tipo concertina, un previo sencillo de 12AX7 e incluye trémolo. Da unos 8W. Controles para tono volumen y velocidad e intensidad del trémolo.
Lo curioso de las válvulas de salida es que constan de un tríodo y péntodo en un mismo tubo, de forma que aprovecha uno de los tríodos como inversora y el otro para hacer de osciladora del trémolo.
Otro detalle curioso es que el condensador entre la inversora y la última etapa del previo es de un ridículo valor de 500 pF, que por lo que leí, podría deberse a que gibson utilizaba transformadores de salida bastante pequeños y tenían que limitar la entrada de la etapa de potencia para evitar que el transformador distorsionara feo. Estuve a punto de sustituirlo por uno de 1nF al menos, pero al probarlo ya me convenció el resultado.
El valor de impedancia del primario del transformador lo desconozco, pero es habitual encontrar 8000Ohm para push-pull de 6BM8, yo utilicé uno sobredimensionado (supuestamene 25W) de 8500.
El chasis es reciclado de un equipo que llegó al taller y tuve que cortarlo y doblarlo manualmente por un extremo. El mueble con cajas de vino, listones y forrado con poli-piel cutre de color beige. Una malla de gallinero pintada de negro para el frontal, herrajes chinos y a sonar.
Por 8W no está nada mal, permite tocar rock-blues a trio fácilmente con un batería ruidoso. El control de tono es muy simple, lo suyo es enroscarlo a tope y dejar que manden los controles de la guitarra. Consigues una buena distorsión clásica sin tener que sangrar por los oídos y, como no suelo tocar en grandes estadios, se oye bien en el escenario y no dá problemas de volumen al de la mesa.
Es bastante fácil de montar, así que si alguien se anima, tiene la oportunidad de conseguir un ampli con un diseño que no entiendo como la marca propietaria no deja de seguir ciertas políticas empresariales y relanzar estos productos para recuperar cuota de mercado y salir de su agujero.
Saludos.
Pues nada, que me picó la curiosidad por los amplis gibson y las válvulas rectificadoras, así que me monté uno con lo que tenía.
El diseño original (creo que del 59) era un combo, pero no tenía ganas de gastarme la pasta en un altavoz que tampoco sería el mismo que el original. Consta de una rectificadora 5Y3, salida push-pull de 6BM8, inversora tipo concertina, un previo sencillo de 12AX7 e incluye trémolo. Da unos 8W. Controles para tono volumen y velocidad e intensidad del trémolo.
Lo curioso de las válvulas de salida es que constan de un tríodo y péntodo en un mismo tubo, de forma que aprovecha uno de los tríodos como inversora y el otro para hacer de osciladora del trémolo.
Otro detalle curioso es que el condensador entre la inversora y la última etapa del previo es de un ridículo valor de 500 pF, que por lo que leí, podría deberse a que gibson utilizaba transformadores de salida bastante pequeños y tenían que limitar la entrada de la etapa de potencia para evitar que el transformador distorsionara feo. Estuve a punto de sustituirlo por uno de 1nF al menos, pero al probarlo ya me convenció el resultado.
El valor de impedancia del primario del transformador lo desconozco, pero es habitual encontrar 8000Ohm para push-pull de 6BM8, yo utilicé uno sobredimensionado (supuestamene 25W) de 8500.
El chasis es reciclado de un equipo que llegó al taller y tuve que cortarlo y doblarlo manualmente por un extremo. El mueble con cajas de vino, listones y forrado con poli-piel cutre de color beige. Una malla de gallinero pintada de negro para el frontal, herrajes chinos y a sonar.
Por 8W no está nada mal, permite tocar rock-blues a trio fácilmente con un batería ruidoso. El control de tono es muy simple, lo suyo es enroscarlo a tope y dejar que manden los controles de la guitarra. Consigues una buena distorsión clásica sin tener que sangrar por los oídos y, como no suelo tocar en grandes estadios, se oye bien en el escenario y no dá problemas de volumen al de la mesa.
Es bastante fácil de montar, así que si alguien se anima, tiene la oportunidad de conseguir un ampli con un diseño que no entiendo como la marca propietaria no deja de seguir ciertas políticas empresariales y relanzar estos productos para recuperar cuota de mercado y salir de su agujero.
Saludos.
2
Responder
Citar
