Perdonen no tomen encuenta el comentario
#5 he errado completamente.
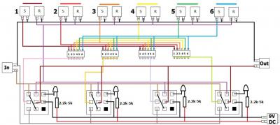
He analizado tu diseño david, y me he formulado una duda, he notado un errorsillo de comunicación, y tengo un comentario extra

, espero equivocarme en el error y puedas aclararme mi duda, a continuación:
Duda: Como logras desactivar el preset anterior cuando presionas el siguiente banco de efectos, es decir guiándonos de tu esquemático de izquierda a derecha nombremos los botones, como 1,2,3,4, tengo activo el botón uno y presiono el botón 4, ¿se desactiva la comunicación del botón 1?, o quedaran activos ambos. Se debe tener en cuenta que se tiene que desactivar el preset anterior para que no exista retroalimentaciones entre los bancos de los efectos.
Note error: Si activo, por así decirlo, nuevamente nombrado los dip switch, de izquierda a derecha, activo boton 1 y boton 2, es decir para que el efecto uno y dos queden en serie, la pista de Return de 1 debe comunicarse con la pista Send de 2 para lograr la comunicación serial y Return 2 a la salida, en tu dibujo veo que tanto Return 1 y Return 2 ambas van a la salida, es decir quedan conectadas en paralelo.
Comentario: Nos faltaría un buffer por eso de las dudas

, leds en los dip switch para indicar si el efecto elegido esta en comunicación o continuidad con el pedal switch.
Y eso es todo espero no te enojes, también puede ser que este analizando mal el esquemático

, en si va por buen camino solo se necesitamos ver esos detallitos, porque a mi también me interesa este proyecto y no quiero que muera el intento de hacerlo con botones. Saludos
Repito no tomen en cuenta el comentario
#5 lo siento, fueron errores de edición.