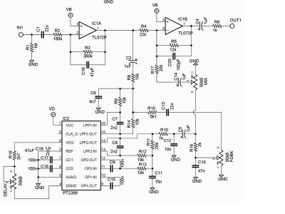
Hola buenas, escribo este post por ver si alguien ha tenido los mismos problemas que yo con este delay. Básicamente está basado en el Deep Blue Sea de Mad proffesor. El caso es que he montado un par y en los dos me pasa lo mismo.
Al principio el delay dejaba de sonar, la señal de la guitarra si, pero no hacia el efecto al rato, aunque eso ya lo solucioné soldando las patillas 3 y 4 del integrado a masa. Pero ahora estoy tocando y al poco se queda en una posición del time, por más que lo mueva se queda como atáscado a una velocidad, el resto de potes actúan bien, he cambiado el pote de time y sigue igual, asi que descarto que sea eso.
Por otra parte mete un poco de saturación en las repeticiones, es muy leve pero se nota.
Sé que es un poco tostón pero agradeceria cualquier tipo de ayuda y si puedo ayudar yo a alguien que esté como yo lo haré encantado. Un saludo.
Al principio el delay dejaba de sonar, la señal de la guitarra si, pero no hacia el efecto al rato, aunque eso ya lo solucioné soldando las patillas 3 y 4 del integrado a masa. Pero ahora estoy tocando y al poco se queda en una posición del time, por más que lo mueva se queda como atáscado a una velocidad, el resto de potes actúan bien, he cambiado el pote de time y sigue igual, asi que descarto que sea eso.
Por otra parte mete un poco de saturación en las repeticiones, es muy leve pero se nota.
Sé que es un poco tostón pero agradeceria cualquier tipo de ayuda y si puedo ayudar yo a alguien que esté como yo lo haré encantado. Un saludo.
Responder
Citar



