Hola!
Recientemente he comprado un Edition Tube de los primeros (que tienen la placa y la tela en color vino) y desde que llegó a casa estoy teniendo algunos problemas que no me dejan usarlo en condiciones:
1: Hay una válvula EL84 microfonada, no es gran problema porque ya tengo pedidas un par nuevas, pero al medir el BIAS me sale muy descompensado. El valor oficial de ajuste segun H&K debe ser "al gusto" entre 17-20mV siendo lo mas normal dejarlo en 19. Pues bien, en la válvula que está bien me marca 19,2mV y en la que está microfonada me salta hasta 39,2mV.
¿Puede ser porque esté microfonada o hay algo más?
2: Nada más encender el ampli hay un ruido de fondo que desaparece cuando dejas el potenciómetro de agudos a 0. A más subes, más ruido de fondo hay. Al abrir el amplificador para medir el BIAS me he dado cuenta que ese pote ya ha sido sustituido porque es diferente al resto.
¿Con sustituirlo por uno igual sobra? ¿O es de otra cosa?
3: A veces, no siempre, el amplificador "petardea" y pierde sonido. Se oye como un ruido estático que se come el sonido de la guitarra y sólo se oye eso. Cuando lo compré lo probé durante media hora y no lo hizo. Ya en casa, con apagarlo y volver a encenderlo suele valer.
¿A qué se puede deber esto? Intentaré subir una pista con el ruido que hace.
Cuando solucione estos problemillas tengo pensado hacerle alguna modificación, pero primero que se pueda usar en condiciones.
Muchas gracias por leer el tocho y por todo lo que podais aportar.
Un saludo!
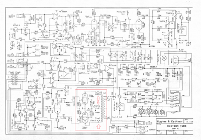
PD: Os dejo el esquema eléctrico del ampli. El BIAS se mide de Plug 17 a Plug 1 y de Plug 17 a Plug 2 (Recuadro rojo y flechas)
Recientemente he comprado un Edition Tube de los primeros (que tienen la placa y la tela en color vino) y desde que llegó a casa estoy teniendo algunos problemas que no me dejan usarlo en condiciones:
1: Hay una válvula EL84 microfonada, no es gran problema porque ya tengo pedidas un par nuevas, pero al medir el BIAS me sale muy descompensado. El valor oficial de ajuste segun H&K debe ser "al gusto" entre 17-20mV siendo lo mas normal dejarlo en 19. Pues bien, en la válvula que está bien me marca 19,2mV y en la que está microfonada me salta hasta 39,2mV.
¿Puede ser porque esté microfonada o hay algo más?
2: Nada más encender el ampli hay un ruido de fondo que desaparece cuando dejas el potenciómetro de agudos a 0. A más subes, más ruido de fondo hay. Al abrir el amplificador para medir el BIAS me he dado cuenta que ese pote ya ha sido sustituido porque es diferente al resto.
¿Con sustituirlo por uno igual sobra? ¿O es de otra cosa?
3: A veces, no siempre, el amplificador "petardea" y pierde sonido. Se oye como un ruido estático que se come el sonido de la guitarra y sólo se oye eso. Cuando lo compré lo probé durante media hora y no lo hizo. Ya en casa, con apagarlo y volver a encenderlo suele valer.
¿A qué se puede deber esto? Intentaré subir una pista con el ruido que hace.
Cuando solucione estos problemillas tengo pensado hacerle alguna modificación, pero primero que se pueda usar en condiciones.
Muchas gracias por leer el tocho y por todo lo que podais aportar.
Un saludo!
PD: Os dejo el esquema eléctrico del ampli. El BIAS se mide de Plug 17 a Plug 1 y de Plug 17 a Plug 2 (Recuadro rojo y flechas)
Responder
Citar
