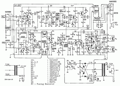
Resulta que llevo una temporada en la que gente que vive aqui en ibiza me escribe y me trae amplificadores averiados para reparar, normalmente las averias mas complicadas que suelo encontrarme son transistores abiertos, condensadores reventados o resistencias quemadas como ha sido el caso de un viejo roland cube 60 made in japan que me ha entrado hoy, muchas veces no basta con cambiar el componente averiado, si no que hay otro componente antes que esta funcionando incorrectamente y esta averiando transistores, condensadores o cualquier cosa que se este alimentando despues de este como mismamente una resistencia que se ha estropeado bajando su valor ohmico, ese ha sido el caso que me he encontrado hoy, a pesar de que habia mas cosas que fallaban en este circuito el problema me lo he encontrado a la hora de sustituir esa resistencia por la mala lectura del schematic que he encontrado, esto ya me ha pasado alguna vez, no se si os habra pasado a vosotros, pero yo cuando me encuentro con un shematic en chino como yo les digo, no me queda mas remedio que intentar intuir el componente que tengo quemado siguiendo los componentes que hay cercanos que de puñetera casualidad llego a entender su valor y su numero y asi poder hacer de detective y averiguar ese valor de resistencia o condensador, ¿no os ha pasado a vosotros los que habeis hecho reparaciones en amplis tropezar con esquemas como este? fijaros bien, no se entiende una mierda, imagino que los expertos en este tema ya estaran acostumbrados a leer las letras de estos esquemas y conoceran la letra de esta peña, este se entiende mal, pero he visto otros mucho peores.
X
Últimos días
Problemas con la lectura de los esquemas y reparacion (schematic)
OFERTAS Ver todas
-
-45%Hughes&Kettner Spirit of Metal
-
-11%Ibanez AE340FMH-MHS
-
-20%IK Multimedia ToneX One Joe Satriani Ltd Ed.
Jejeje ese está rey para las cosas que me he encontrado. En chismes de los 50 lo raro es encontrar algo que siga el esquema digamos oficial, algún Dynacord me ha vuelto loco, sin mentar esas cadenas de música de carátula de aluminio de 200 k de peso y montadas desde dentro hacia fuera, que para llegar a la placa hay que quitar 100 tornillos. Jajaja no se me a notado nada que soy Sevillano, por lo exagerado
Pues supongo que con estos esquemas tan chungos mas de una vez te va a tocar coger la calculadora y hacer formulas para calcular la resistencia, o ir probando con un trimmers de 5 watios 
En muchas ocasiones seguro que habras puesto un componente de valor quizas diferente pero que tambien vale igualmente por no poder ver el valor del original, ya sabes, es como si en el catodo de una ecc83 pones una resistencia de 4k7 en vez de 10k, va a funcionar igual, pero con 10k le restas ganancia, o el condensador que va en paralelo con esa resistencia por ejemplo por decir algo, yo muchas veces con estos esquemas me guio mucho por los componentes que hay alrededor viendo el schematic para mas o menos determinar un poco el fallo.

En muchas ocasiones seguro que habras puesto un componente de valor quizas diferente pero que tambien vale igualmente por no poder ver el valor del original, ya sabes, es como si en el catodo de una ecc83 pones una resistencia de 4k7 en vez de 10k, va a funcionar igual, pero con 10k le restas ganancia, o el condensador que va en paralelo con esa resistencia por ejemplo por decir algo, yo muchas veces con estos esquemas me guio mucho por los componentes que hay alrededor viendo el schematic para mas o menos determinar un poco el fallo.
Nuevo post
Regístrate o identifícate para poder postear en este hilo
