Problema electronica cort viva series

  • 1
D4RK51D3
por el 27/04/2016
Pues lo dicho he notado que mi guitarra tiene algo de bucle de masa y me he puesto al lio de repasar soldaduras comprobar cables y demas y he llevado una sorpresa al ver que tiene dos tomas de tierra en vez de una como todas las guitarras que he tenido... mi duda es la siguiente... a la hora de soldar que tendria que hacer? por un lado soldar las dos tomas de tierra en el pote de volumen y por otro lado masas de el selector de pastillas, cable que viene del control de tono, output del jack y pastillas? en el primer intento la he liado porque creo que calente demasiado el pote y ahora le costaba de moverse de posicion, rasca, me va a tocar ir a por uno a alfasoni de urgencias xD haber si alguien que domine el tema se enrolla y me echa una manita las birras estan pagadas por supuesto :brindis: :brindis: muchisimas gracias de antemano y un saludo desde barcelona familia!
OFERTAS EN TIENDAS Ver todas
  • -45%
    Hughes & Kettner Spirit of Rock
    48 €
    Ver oferta
  • -14%
    Harley Benton SC-Custom III Moritz Yellow
    299 €
    Ver oferta
  • -21%
    Keeley Compressor Pro
    291 €
    Ver oferta
SEGUNDA MANO EN MERCASONIC Ver todo
  • Seymour Duncan Vapor Trail Pedal Guitarra Delay (No me interesan cambios)
    100 €
    Ver
  • Guitarra Cort G 260 Poro Natural
    260 €
    Ver
  • LTD VB EC-1000 Deluxe mejorada
    900 €
    Ver
¿Tienes equipo que ya no usas? Véndelo en Mercasonic
toni diaz
por el 27/04/2016
Buenas ,lo importante es que todos los negativos tengan continuidad lo ideal es que estén juntos "en estrella" truquito para soldar: dale un poco de lija o raspa la zona a soldar y aplica una gota de decapante si no tienes de electrónica vale el de fontanería.
Conseguirás soldar más rápido y no calentaras en exceso el pote
1 respuesta directa
D4RK51D3
por el 27/04/2016
Cuando dices todos los negativos a qué te refieres porque con las dos tomás de tierra el negativo de Jack, del selector, del pote de tono y los negativos de las 3 pastillas hace una bola que flipas jajaja por eso preguntaba si alguien sabía si van por separado o había alguna manera de agrupar las en especial un saludo y muchísimas gracias por contestar tan rápido
toni diaz
por el 27/04/2016
Yo los pelo 5 mm, los retuerzo juntos, lo estaño y lo sueldo de una vez.si te es un poco complicado coloca los cables de masa de las pastillas a la patilla de masa del selector de pastillas y de allí un cable a la masa común.
despista2
por el 27/04/2016
toni diaz escribió:
y aplica una gota de decapante si no tienes de electrónica vale el de fontanería.

No. Nunca. Ni de coña. Si no tienes decapante de electrónica, vas a la tienda y lo compras, o le pides a tu amigo el violinista que te de un poco de colofonia de la que usa para frotar el arco, o te acercas al parque, buscas un pino y le arrancas un poco de resina de la que supura por las ramas cortadas; pero NUNCA uses decapante de fontanería en un circuito eléctrico o electrónico.
toni diaz
por el 27/04/2016
Explicación porfa
1 respuesta directa
D4RK51D3
por el 27/04/2016
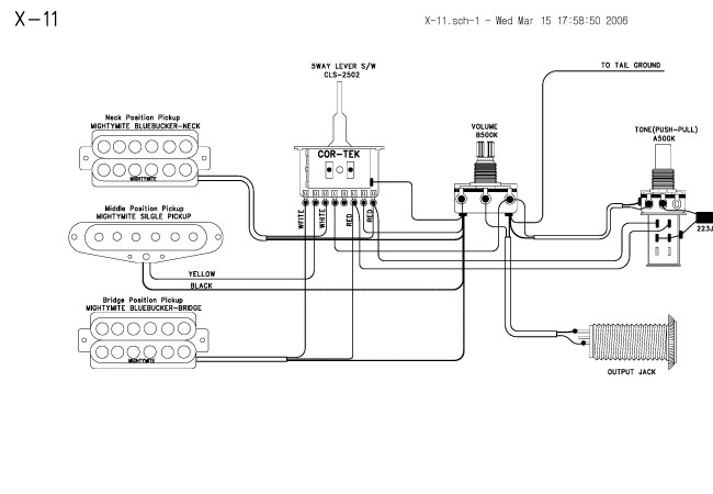
Bueno os voy a explicar los avances que he hecho esta tarde he conseguido con una configuración de cables que he visto por ahí de la guitarra Cort X11 que funcione medianamente bien aunque creo que aún no ha quedado del todo bien el tema de las tomas de tierra lo que he hecho es lo siguiente en una parte del pote de volumen he agrupado todas las masas de las pastillas más la masa del selector y por otro lado he puesto la masa del output del jack más las tomas de tierra más la masa del potenciómetro del tono y parece que ha ganado algo más de claridad el sonido aunque me sigue haciendo un zumbido en comparación a otras guitarras que tengo con esta misma disposición de pastillas y potenciometros la verdad que me he partido los cuernos toda la tarde buscando el esquema de la viva series y no ha habido forma de dar con él el único problema que le veo al mapeado que he seguido es que en este no constan las dos tomas de tierra que mi guitarra tiene lo que he hecho ha sido unirlas no sé si ahí estará el fallo la verdad me parece que por hoy ya he investigado bastante mañana seguiré con mi lucha jeje saludos a todos y muchísimas gracias por haberme echado un cable y por los consejos!! :banda_rock: :brindis:
D4RK51D3
por el 27/04/2016
No se porque tengo la sensacion que el lio anda en las tomas de tierra que no deben estar juntas... tengo esa corazonada... a ver si alguno de los cracks de la eletronica me puede sacar de dudas, saludos!!
despista2
por el 27/04/2016
#6
Para estos casos soy más partidario del empirismo que de las explicaciones, así que te voy a proponer que hagas una sencilla prueba:
Abre un bote de decapante del que se usa en fontanería, enciende el polímetro, selecciona la escala más baja de resistencia y mete las puntas en el bote. Si con esa prueba quedas convencido, lava las puntas del polímetro con abundante agua y aplícales un poco de WD40, 3en1 o algo similar. Si no tienes bastante con esa prueba, no laves las puntas... guárdalas en una bolsa de plástico y comprueba el estado en que se encuentran dentro de una semanita.
Y ahora, de propina, te voy a contar un caso que me ocurrió hace bastantes años. Es una cosa de esas que siempre le ocurren "a un amigo", pero por mucho que me avergüence voy a ser sincero y reconocer que me ocurrió a mí. Antes diré en mi descargo que fue en mi época de estudiante, así que era joven e inexperto.
Mi tío Paco tenía un automatismo de esos de cremallera con mando a distancia para abrir la verja de la casa. Un día empezó a fallarle la apertura, así que me pidió que mirara a ver si podía repararlo. El control del motor se hacía con dos relés bastante grandes, de esos enchufables con terminales tipo "faston", pero no iban montados en zócalo sino soldados en la placa, que además era de doble cara con taladros metalizados. Uno de los relés tenía los contactos quemados, así que me dispuse a desoldarlo... pero el soldador tipo lápiz no tenía potencia suficiente. Por suerte (mala) mi tio paco era aficionado al bricolaje, así que tenía un soldador enorme de 150W y decapante de fontanería. Hice una trenza de cable, la impregné en decapante, y conseguí retirar por capilaridad todo el estaño. Soldé el relé nuevo y, nada mas alimentar la placa para probarla, empezó a oler a quemado y a foguear y echar chispazos por toda la zona donde iba montado el relé. Limpié toda esa zona con alcohol a chorros y frotando a conciencia con un cepillo de dientes, y aparentemente se solucionó el problema, así que lo volví a montar en su cuadro y lo dejamos funcionando... Al final la reparación quedó perfecta, porque el seguro de la casa pagó el automatismo nuevo y los daños por incendio de la caseta donde estaba montado. Ya sé que nadie aprende por experiencia ajena, pero esta "anécdota" puede dar una idea de lo perjudicial que puede llegar a ser el uso de flux de fontanería en un PCB; especialmente si, como en ese caso, va alimentado con tensiones altas. En una guitarra, como mucho, puede provocar un mal funcionamiento y corrosión en todo el circuito por par galvánico.
toni diaz
por el 27/04/2016
#9 por descontado que lo ultimo que recomiendo es el uso de decapante, ya el estaño lleva un alma del apropiado para el. Y en la moderación está el acierto, conozco las propiedades conductivas y se que lleva un producto ácido/decapante que limpia el cobre cuando se le aplica calor, curiosamente es muy poco toxico debido a su uso sanitario. Y cuando digo una gota no digo un brochazo hombre jeje
D4RK51D3
por el 28/04/2016
Alguien se le ocurre algo a la hora de soldar las masas y las tomas a tierra de la guitarra es que ya me he cargado un potenciómetro y no quiero cargarme otro soldando y haciendo pruebas xD saludos y buenos días familia
D4RK51D3
por el 28/04/2016
bueno... la verdad es que no he conseguido mucho avance que digamos... ando bastante desilusionado y cansado de probar... e intentado con los datos que e encontrado por la red de la guitarra que ha sido poco o ninguno y con guitarras que se le asemejaran probar diferentes diagramas y nada... sigo en las mismas.. en una no lleva la toma esa ring o como se llame y en el otro que he encontrado no lleva la misma configuracion de pastillas... y me sigue sonando a masa.. en fin que fiasco :(

96822223631116208acd46203a233-2087764.jpg

8a6754946c7132028acf14eb52320-2087764.jpg
Nuevo post

Regístrate o para poder postear en este hilo