Hola , el canal de low va de lujo pero cuando enchufo la guitarra al canal de high el sonido va y viene subiendo y bajando de volumen asta que desaparece, me lo han mirado ya 3 técnicos y todos me arreglan el jack de entrada pero el problema persiste, pregunto , podría ser problemas de válvulas? Gracias
X
Últimos días
Problema cabezal sovtek a válvulas
OFERTAS Ver todas
-
-15%Hughes&Kettner TubeMeister Deluxe 40
-
-11%Harley Benton HBD120CEBK Bundle
-
-37%IK Multimedia ToneX One
Hombre, yo no soy técnico profesional... soy un simple aficionadillo al tema...Raro que si te lo han mirado los técnicos no haya visto que sea una válvula del previo.... prueba a cambiar una a una manteniendo el resto. Es decir con una nueva válvula de previo vas probando las diferentes posiciones para ver si da problemas.
Pero vamos, que es raro que tres técnicos no hayan dado con el asunto como para que yo diera con el.
Pero vamos, que es raro que tres técnicos no hayan dado con el asunto como para que yo diera con el.
Yo casi siempre he visto que el canal high engancha en el primer triodo, en cambio el canal low se lo salta y entra la señal directa por la reja del segundo triodo.
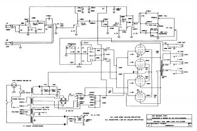
Yo que tu me buscaria el esquema teorico, miraria todos los componentes que estan conectados al primer triodo y los revisaria por si hay alguno que falla o alguna mala soldadura, haz un seguimiento de pistas de cobre con el ampli sin tension y los cap descargados, no parece una averia complicada, por eso yo revisaria en especial si no tuvieras el esquema las patas 1,2 y 3 de la primera valvula.
Yo que tu me buscaria el esquema teorico, miraria todos los componentes que estan conectados al primer triodo y los revisaria por si hay alguno que falla o alguna mala soldadura, haz un seguimiento de pistas de cobre con el ampli sin tension y los cap descargados, no parece una averia complicada, por eso yo revisaria en especial si no tuvieras el esquema las patas 1,2 y 3 de la primera valvula.
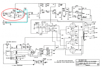
que grande!!! Tony, seguro que es eso que dices, una soldadura por la zona que he metido en el recuadro rojo, yo no se mucho de este tema, pero me da a mi dentro de mis pocos conocimientos que ahi esta la averia, o el zocalo noval con alguna patilla desoldada o algun componente, que se queme ahi una resistencia o se joda un condensador va ser mas dificil, que podria ser un condensador abierto o corticircuitado y que por fuera se vea bien, no se, el condensador .47 del catodo lo unico, y no lo creo, apostaria a eso, una mala soldadura, pista cortada, zocalo noval con un pins roto, etc. un ohmimetro no te tardaria mucho rato en buscarte la averia en tes de continuidad.
Si la bajada de volumen hasta que desaparece el sonido es lenta (relativamente lenta al menos, no abrupta), podría proceder de la alimentación de filamentos del primer zócalo. Podría fallar el contacto en el pin 4 o el 5 (el asociado a ese triodo). Se podría ver en la oscuridad si la válvula tiene los dos filamentos encendidos o solo uno cuando se de el problema.
Nuevo post
Regístrate o identifícate para poder postear en este hilo
