Hola
Quería limpiar los potes del ampli y al intentar sacar los embellecedores me he cargado los dos potes del Gain 1 y gain 2, al tirar y uno de ellos se ha partido además, el otro gira infinitamente no hay tope
El ampli funciona perfectamente pero claro esos dos potes no.
Alguien sabría decirme:
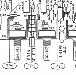
1.- Segun los esquemas que adjunto... ¿que potes son? para comprarlos. Tengo algunos de guitarra pero no se si servirían
2.- ¿Alguien en zaragoza que sin arruinarme me haga el cambio?
Saludos y gracias de antemano
Quería limpiar los potes del ampli y al intentar sacar los embellecedores me he cargado los dos potes del Gain 1 y gain 2, al tirar y uno de ellos se ha partido además, el otro gira infinitamente no hay tope
El ampli funciona perfectamente pero claro esos dos potes no.
Alguien sabría decirme:
1.- Segun los esquemas que adjunto... ¿que potes son? para comprarlos. Tengo algunos de guitarra pero no se si servirían
2.- ¿Alguien en zaragoza que sin arruinarme me haga el cambio?
Saludos y gracias de antemano
Responder
Citar
