Hola, hace unas semanas le compre a un forero de guitarristas.info un Peavey Classic 30 (el viejo de los 90s) de segunda mano. En casa todo bien, aunque ya me pareció raro que el canal limpio rompiera tanto, ya que lo tenía que subir mucho de volumen. En cuanto lo llevé a ensayo me di cuenta de que no estaba bien. Suena al 50% de volumen, y no me oigo, ni con el volumen a tope.
El forero me dice que ya se ha pateado los 400€ y que que lo siente mucho. Que el no lo había sacado del estudio bla bla, o sea que me lo coma con patatas. Tócate los huevos!
Fui a la tienda de confianza en Girona i probamos de ir cambiando las válvulas y nada, mejoró sutilmente montando algún modelo, pero no es el problema. Nos pareció que era un problema en la entrada, o de previo, y no en la parte de potencia. Allí comparé con otro Classic 30 i ni punto de comparación, lo dicho suena al 50% o menos, insuficiente para tocar con banda. Probamos allí con otra guitarra para descartar, y también con otra pantalla para descartar el altavoz Blue Marble.
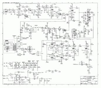
Soy técnico electrónico, pero nuevo en amplis a válvulas, y no consigo dar con el problema. Las válvulas, de potencia queman todas por igual, pero las del previo 12AX7, que no he encontrado aun info sobre qual hace que, solo la primera reluce bien, las otras dos se calientan mucho menos, sobre todo la segunda (de fuera a dentro, de derecha a izquierda). Precisamente esta tiene la base metalica (carcasa) ligeramente deformada hacia fuera, como si la hubieran forzado para sacar la placa. He repasado las soldaduras de los soportes de válvula. Los soportes válvulas son difíciles de chequear aparentemente estan bien... ¿Como los chequeáis? He mirado los puentes metálicos que conectan las placas en forma de U, uno parecía moverse i lo he repasado.
He mirado condensadores electrolíticos i aparentemente están bien, los de las dos entradas comprobados, a parte que si fueran los de entrada añadirían ruido, i el ampli suena limpio sin parásitos o zumbido.
El transformador de entrada da correcto 350v (paralelo al primer condensador) y 39V (paralelo al primer condensador) según lo que dicen unos esquemas que he encontrado por internet, que marcan 336v i 36v (a los antiguos 220)
¿Hay un trafo de salida no? aun no lo he mirado, ¿podría ser? ni idea de cómo va. He leído que si conectas pantallas adicionales de más impedancia de la que indica el fabricante puedes fundir el trafo, y supongo que hablan del de salida.
¿Alguien conoce de algún caso parecido? ¿Alguna idea por donde seguir?
El forero me dice que ya se ha pateado los 400€ y que que lo siente mucho. Que el no lo había sacado del estudio bla bla, o sea que me lo coma con patatas. Tócate los huevos!
Fui a la tienda de confianza en Girona i probamos de ir cambiando las válvulas y nada, mejoró sutilmente montando algún modelo, pero no es el problema. Nos pareció que era un problema en la entrada, o de previo, y no en la parte de potencia. Allí comparé con otro Classic 30 i ni punto de comparación, lo dicho suena al 50% o menos, insuficiente para tocar con banda. Probamos allí con otra guitarra para descartar, y también con otra pantalla para descartar el altavoz Blue Marble.
Soy técnico electrónico, pero nuevo en amplis a válvulas, y no consigo dar con el problema. Las válvulas, de potencia queman todas por igual, pero las del previo 12AX7, que no he encontrado aun info sobre qual hace que, solo la primera reluce bien, las otras dos se calientan mucho menos, sobre todo la segunda (de fuera a dentro, de derecha a izquierda). Precisamente esta tiene la base metalica (carcasa) ligeramente deformada hacia fuera, como si la hubieran forzado para sacar la placa. He repasado las soldaduras de los soportes de válvula. Los soportes válvulas son difíciles de chequear aparentemente estan bien... ¿Como los chequeáis? He mirado los puentes metálicos que conectan las placas en forma de U, uno parecía moverse i lo he repasado.
He mirado condensadores electrolíticos i aparentemente están bien, los de las dos entradas comprobados, a parte que si fueran los de entrada añadirían ruido, i el ampli suena limpio sin parásitos o zumbido.
El transformador de entrada da correcto 350v (paralelo al primer condensador) y 39V (paralelo al primer condensador) según lo que dicen unos esquemas que he encontrado por internet, que marcan 336v i 36v (a los antiguos 220)
¿Hay un trafo de salida no? aun no lo he mirado, ¿podría ser? ni idea de cómo va. He leído que si conectas pantallas adicionales de más impedancia de la que indica el fabricante puedes fundir el trafo, y supongo que hablan del de salida.
¿Alguien conoce de algún caso parecido? ¿Alguna idea por donde seguir?
Responder
Citar
