Notas recopiladas sobre el Bugera V22

Dani Sastre
por el 18/08/2011
Hola montes!

Si bueno, realmente todos sabemos en cierta medida lo que da de si un beringer! jaja lo que quería decir es justo eso, que quizás los bugera sean mejores o peores pero no comparables en cuanto a materiales con beringer!

Y si, respecto a los bugera tienes razón, abrá de alta gama y de baja y de todo... y cada uno tendrá su opinión por las experiencia sobre todo! jaja como lo de el gran dilema de las segundas marcas! (Yo tengo una epi y encantado xD)
La clave como dices, es probarlo, enchufarte, poner la oreja y a ver que tal... y posiblemente el sonido sea mucho más que aceptable, y el precio no tiene competencia, pero claro siempre estará esa duda de "puf... lo mismo en tres meses ya me está dando problemas" jaja que creo que todavía esa duda estará vigente en muchos que estén dudando si comprarlo!

saludos!! :)
OFERTAS EN TIENDAS Ver todas
  • -45%
    Hughes & Kettner Spirit of Rock
    48 €
    Ver oferta
  • -13%
    Epiphone 1963 Firebird V Vibrola PW
    1.399 €
    Ver oferta
  • -13%
    Harley Benton SC-Custom III Baritone
    349 €
    Ver oferta
SEGUNDA MANO EN MERCASONIC Ver todo
  • Pastillas Humbucker, RELICS PICKUPS modelo LEGENDARY TONE
    160 €
    Ver
  • Guitarra PRS SE Santana MIK
    660 €
    Ver
  • ‼️ ENVIO INCLUIDO .Tipo BE-OD Analógico
    115 €
    Ver
¿Tienes equipo que ya no usas? Véndelo en Mercasonic
stratoblackmore
por el 25/09/2011
Hola.
Soy un poco el instigador del tema v22 con mi review del 2010, y el mio sigue sonando. Ahora le he comprado 3 EH 12ax7 y 2 JJ Tesla EL84 junto a una philips 5751 para el inversor de fase. La duda es sobre los condensadores de tono, como se cambian? Cuales pongo? Puedo hacerlo yo mismo sin asesinarme teniendo en cuenta que me da miedo la afeitadora electrica? Creo que despues de las válvulas que monté al comprarlo y el nuevo experimento que haré, la forma de mejorarlo sería con los condensadores. Por lo demas, excepto que con las valvulas de serie era difucil entrar en crunch por el canal limpio sin sangrar por los oidos por el volumen general, el ampli me gusta, y en limpio admite bien los pedales, en mi caso un Rat, Big muff, Danelectro Drive... etc.
montes
por el 26/09/2011
Pues en mi humilde opinión, creo que serían sobre todo, los condensadores de tono, los de bi-pass. Creo que estos son los más importantes.
Si el ampli fuera muy viejo te diria que tambien los de filtro, pero no creo que sea tu caso.
Pasate por la pagina Amptek o incluso les llamas te aconsejaran son especialistas. :bien:
Aquí te dejo el enlace a la pagina de condensadores:
http://www.amptek-es.com/index.php?lang=0&aptd=1&id_cat=26&id_subcat=100
http://www.amptek-es.com/index.php?lang=0&aptd=1&id_cat=26&id_subcat=101
stratoblackmore
por el 26/09/2011
Seguramente son esos, aunque como no se localizarlos, desmontaré el ampli y lo llevare a que se los cambien. Luego la eterna pregunta... hay que revisar bias al poner nuevas EL84's? Es cathode biased, por lo que en principio no haria falta, no?
montes
por el 26/09/2011
Pues ahi poco te puedo ayudar, por lo general si se a de rebisar el ajuste, pero no quiero que metas la pata por darte un mal consejo, creo que es una pregunta más para Pakito, el sabe como nadie de estos vetustos componentes.
Ahora lo que si te digo es que mires de conseguir como sea, al precio que sea,( aquello de roba o mata)el esquema de tu ampli, es algo primordial para poder hacer algunas mejoras, ya que podras localizar con más facilidad cada componente.
montes
por el 10/05/2012
Retomo este antiguo post, :descargando:
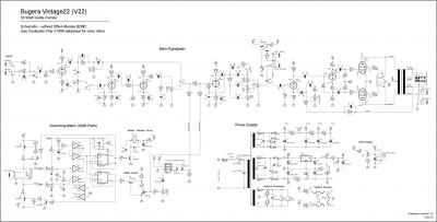
Por fin esta en la red el esquema completo y definitivo del BUGUERA V22, algo que es necesario, si como yo , quieres modificar algunas cosillas, yo en mi caso lo estoy marshalizando un poco. :rolleyes:
Aqui os dejo el esquema completo del V22 algo muy muy vuscado. :gracias:
Espero que os sirva.
Saludos a todos.
Archivos adjuntos ( para descargar)
bugerav22.png
Lucas Gonzalez A.
por el 05/09/2012
Hola, yo hace poco compré este amplificador. En ese momento tocaba en una banda de indie rock, y era un buen ampli, que sonaba bastante bien para el genero, además era barato y yo necesitaba algo rápido. Un poco tiempo después me echaron de la banda, y decidí abandonar el indie, que no es completamente lo mío y volver a tocar Metal. Pero al sentarme a setearlo para metal (mayoritariamente thrash, asi que uso la tradicional ecualización en V) pasó lo que temía: la ganancia no es suficiente (pero por mucho) y tiene MUCHOS graves, que no se resuelve bajándole los graves en la ecualización.
Me estoy planteando varias alternativas, aclaro que venderlo no me parece bien porque lo compré en cuotas y todavía lo estoy pagando. Otra cosa es que no reacciona bien a los pedales de distorsión, tengo un EHX Metal Muff, con el cual hace demasiado ruido, y no suena bien; y también tengo un Marshall Jackhammer, que lo tengo desde hace muchos años, y en el modo distorsión pasa lo mismo que con el Muff, pero en el overdrive con baja ganancia, suena bastante bien como para boostear al amplificador. Estuve buscando info como para decidirme que hacer, pero no encuentro nada. Me guistaría saber que me recomiendan uds, si cambiarle las valvulas, cambiar los condensadores de desacoplo, si comprar un TubeScreamer setearlo con el tono al máximo y boostear la distorsión con eso (preferiría no hacerlo, prefiero usar la distorsión del amplificador), o si es un caso perdido y mejor sacármelo de encima cuanto antes y camiarlo por otro amplificador de transitores, que valga algo parecido a este bugera.
Otra alternativa que se me acaba de ocurrir es un pedal de EQ, pero no se donde ubicarlo, si en el FX loop o si en el preamp
montes
por el 06/09/2012
Siento decirte que no es un ampli para metal, da para lo que es un ampli vintage, blues rock clasico, en mi caso tengo suficiente.
Si que es cierto que muchos foreros, estan utilizando pedales para llegar a otros estilos un poco más duros. Devido a que tiene un buen canal limpio en teoria permite conectar pedales sin problemas, yo en mi caso alguna que otra vez conecto una pedalera GNX3000 y va de fabula, no tengo excesivos problemas de ruido.
Quizas lo que te ocurra es que los pedales al utizar mucha ganancia tambien generan ruido, ruido que entra en el ampli y se amplifica volviendose insoportable.
Otra posibilidad sería entrar por el loop de efectos y probar.
Lucas Gonzalez A.
por el 08/09/2012
#20 hace un rato estuve probando lo que vos decís. la verdad el metal muff por el fx suena bastante bien, hace un poco de ruido, pero estoy seguro de que eso es por el pedal, no es nada que un supresor de ruido pueda solucionar. creo que me voy a quedar con eso, al menos hasta tener el dinero como para comprarme una bestia valvular
montes
por el 09/09/2012
Has intentado modificarlo para exprimirlo al maximo?
Seguramente se le podria sacar algo más.
Lucas Gonzalez A.
por el 11/09/2012
#22 al amplificador o al pedal ? Del pedal ya estuve buscando, pero no encontré ningún mod que me guste. Y al amplificador me gustaría modificarlo, pero no se que le debería modificar, si algún tubo, el condensador de desacoplo, o no se que otra cosa mas se le puede cambiar
montes
por el 12/09/2012
Me refería a el ampli
No es muy dificil se trata de modificar algunas resistencia, a las valvulas del circuito del canal Overdrive, para conseguir algo más de ganancia, lo que no se es si llegara a lo que tu buscas.
Nuevo post

Regístrate o para poder postear en este hilo