Necesito esquema Peavey Studio Pro

  • 1
jeldelaeugenia
por el 06/12/2016
Hola, necesito el esquema de un Peavey Studio Pro 112, se me han quemado 2 resistencias y un transistor y no puedo ver los valores.
Gracias
Saludos
OFERTAS EN TIENDAS Ver todas
  • -14%
    Harley Benton AirBorne 2.4Ghz Instrument
    59 €
    Ver oferta
  • -7%
    Harley Benton SC‑Custom III Active VBK
    298 €
    Ver oferta
  • -24%
    Rockboard Power MOD 75
    151 €
    Ver oferta
SEGUNDA MANO EN MERCASONIC Ver todo
  • Boss Hyper Fuzz FZ-2 (Silver Label, 1993–1997, Made in Taiwan)
    350 €
    Ver
  • Blackstar HT-Modulation 2010s Silver
    130 €
    Ver
  • Venta de varios pedales, box of rock, revival drive, loomer......
    0 €
    Ver
¿Tienes equipo que ya no usas? Véndelo en Mercasonic
toni diaz
por el 06/12/2016
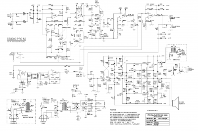
Payo 20 segundos de búsqueda y tienes el esquema, google es tu amigo. Dejemos limpio el foro para los que se han comido el coco y no han encontrado nada
Archivos adjuntos ( para descargar)
peavey_studio_pro_50_sch.pdf_1.png
jeldelaeugenia
por el 06/12/2016
Gracias, pero ese esquema es del studio pro 50, busco el 112.
Siempre busco antes en san Google pero los que he encontrado son imágenes de baja calidad en las que no se aprecian los componentes.
Saludos
despista2
por el 06/12/2016
Pues sí, el 112 se tarda "algo más" de 20 segundos en localizar. Si el que buscas es el Transtube de línea roja, hace unos años estuve tardes enteras googleando hasta localizar el esquema en un foro checo... y sólo el preamplificador. Por suerte conservo el esquema en un disco externo. La placa de potencia no es problemática, porque está basada en un IC monolítico.
Los transistores que vienen marcados como 1740 son 2SC1740, y los que vienen marcados como 933 son 2SA933.
Archivos adjuntos ( para descargar)
📄 STUDIO_PRO_TT.pdf
Inicia sesión para ver este archivo
1 respuesta directa
toni diaz
por el 06/12/2016
El transtube de 65w?? Nuevos datos, el esquema que te puse tambien es un combo 1x12 de ahí el error. Busco entre mis papelajos a ver si lo encuentro
jeldelaeugenia
por el 06/12/2016
#4 Muchas gracias despista2!!
Ese es el que buscaba.

Saludos
toni diaz
por el 06/12/2016
Encontrado, a ver si te vale compi. Esta completo con listado de componentes y situación en placa
Archivos adjuntos ( para descargar)
📄 Peavey Studio Pro tt 2.pdf
Inicia sesión para ver este archivo
jeldelaeugenia
por el 06/12/2016
Gracias toni Diaz.
Vamos a intentar repararlo.
Saludos
toni diaz
por el 06/12/2016
Suerte seguro que lo consigues
jeldelaeugenia
por el 16/12/2016
Hola,
Ya he conseguido repararlo!
Gracias despista2 y toni diaz.
Un saludo
:brindis:
toni diaz
por el 17/12/2016
Ole ole¡¡ estas hecho un pro, que diria mi hijo jajaja
Luis
por el 06/05/2020
Hola que tal, tengo un Peavey Pro 110, tengo problemas en la distorcion, no encuentro el diagraga de la plaqueta, algeuin lo tiene, los que subieron son del 110?
Nuevo post

Regístrate o para poder postear en este hilo