Buenas foreros
Pues me estoy iniciando en el DIY con este pedal,kit comprado en musikding.
El caso es que hay dos elementos que no logró ubicar en el listado de elementos y el PCB.La numeración que aparece es diferente la que marca en las instrucciones a la que marca en la pieza a soldar.
Os dejo unas imágenes para ver si me podéis hechar una mano a ubicarlos.
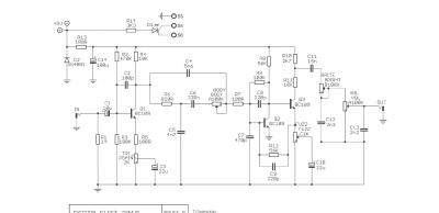
Pues me estoy iniciando en el DIY con este pedal,kit comprado en musikding.
El caso es que hay dos elementos que no logró ubicar en el listado de elementos y el PCB.La numeración que aparece es diferente la que marca en las instrucciones a la que marca en la pieza a soldar.
Os dejo unas imágenes para ver si me podéis hechar una mano a ubicarlos.
Responder
Citar
