bueno....ya hice la modificación y tengo un resultado agridulce...
el pedal ahora suena muy bien, me da unacompresión muy musical y añade mucha calidez al sonido. Actualmente mi conección es: guitarra>boss cs-3>digitech whammy>Crybaby 535q>pod x3 live>marshall jcm 600
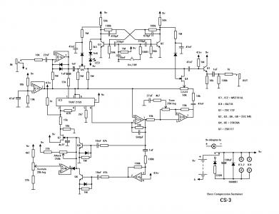
el problema es que despues de hacer la modificacion opto plus de monte allum (cambiar algunos capacitores, diodos, resistencias, el led y un chip) al apagar el pedal no tengo sonido.
bueno hay un pequeño sonido que alcanzo a escuchar si tengo la ganancia del amplio/pod alta....pero es como si el pedal se chupara casi todo el sonido cuando esta en posicion "off".
ya revise todos los cables y las soldaduras y todo se ve bien. El pedal encendido funciona perfectamente y la verdad es que nunca lo apago....pero el solo hecho de saber que ahora no lo puedo apagar me da mucha rabia


...y ganas de apagarlo

:D
he cruzado varios mail con monte pero el no me soluciona nada.....que sin ver el pedal no puede saber que le pasa.....me dice que con gusto el me revisa el pedal pero el gasto de envio seria tan alto que no vale la pena..
acudo a ustedes amigos foreros pues he visto que muchos hasta montan sus propios pedales desde cero y seguro que se pueden imaginar por donde podria estar el problema....yo solo se seguir diagramas y soldar pero de circuitos y electronica no entiendo nadaaaaa!!!!!
mil gracias por su ayuda
