Wenasssssss. Pues nada, que he visto que en thomann traen este puente a un precio mas decente que en tienda, y estoy pensando pillarme uno para mi maltrecha Rg.
Lo unico que me trae de cabeza es si las dimensiones del bloque para los tornillos coincidiran, porque una vez intente comprar un edgeIII, pero la placa de muelles de este es mayor que la del lo-trsII, y no quiero meterme en lijar el cuerpo y cosas asi.
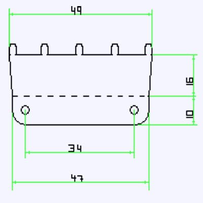
Alguien que tenga un low pro edge podria decirme cuanto mide la placa? Para el que no sepa de lo que hablo, es el bloque grande de metal donde se sujetan los tornillos de los muelles en la parte trasera de la guitarra. La medida que me hace falta es el largo de la placa.
Muchas gracias de antemano foreros!
Lo unico que me trae de cabeza es si las dimensiones del bloque para los tornillos coincidiran, porque una vez intente comprar un edgeIII, pero la placa de muelles de este es mayor que la del lo-trsII, y no quiero meterme en lijar el cuerpo y cosas asi.
Alguien que tenga un low pro edge podria decirme cuanto mide la placa? Para el que no sepa de lo que hablo, es el bloque grande de metal donde se sujetan los tornillos de los muelles en la parte trasera de la guitarra. La medida que me hace falta es el largo de la placa.
Muchas gracias de antemano foreros!
Responder
Citar
