Tengo este Marshall de finales de los 80 y no tiene loop de efectos.
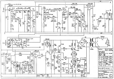
Creo que se puede instalar, en el esquema adjunto parece claro la parte preamp de la power amp, pregunta para los entendidos en electrónica:
¿es en el punto "B" donde pinchar esta salida para el loop??
Gracias
Creo que se puede instalar, en el esquema adjunto parece claro la parte preamp de la power amp, pregunta para los entendidos en electrónica:
¿es en el punto "B" donde pinchar esta salida para el loop??
Gracias
Responder
Citar
