JJ EL844 alguna modificación?

MaxMax
por el 12/11/2023
Buenas a tod@s
Estoy pensando en probar las válvulas EL844 en mí 18w tmb. Por lo que leí dan 9w cada una y satura un poquito antes, tiene algo menos de techo limpio, que es lo que busco.
Mi pregunta es, a ver si podéis ayudarme, debería aumentar la resistencia de cátodo? Actualmente con las El84 tengo una de 180ohm, y debo estar sacando 20w de la pareja, con 150ohm y 130ohm estaban muy calientes. Debería aumentar hasta 200 o 220ohm para estar en una zona un poco más segura y no tener la válvulas EL844 al límite de su potencia?
Gracias de antemano
OFERTAS EN TIENDAS Ver todas
  • -19%
    Harley Benton Amarok-BT EGNT Quilted Burst
    444 €
    Ver oferta
  • -26%
    Harley Benton Nashville Nylon Natural
    222 €
    Ver oferta
  • -42%
    IK Multimedia ToneX One White Ltd Edition
    118 €
    Ver oferta
SEGUNDA MANO EN MERCASONIC Ver todo
  • Jackson kvxmg con estuche duro
    550 €
    Ver
  • LME King Buffer Gold edition
    85 €
    Ver
  • Keeley Super Mod Workstation Pedal
    195 €
    Ver
¿Tienes equipo que ya no usas? Véndelo en Mercasonic
toni diaz
por el 12/11/2023
Entiendo que es un push pull, que tensión de ánodo tienes? De todas maneras 20w es un tanto exagerado, será más entre 12 y 15w para una pareja de el84
MaxMax
por el 12/11/2023
Si, es un push pull
Tengo 336v en los ánodos, y en la resistencia de cátodo de 180ohm (185 al medirla) me caen 11,8v. Por las cuentas que hice me daba unos 20w, igual por eso ya una de ellas me hace redplatting cuando lleva un tiempo de caña.
Debería subir aún más el valor de esa resistencia? 65mA pasan por ella
Me parece extraño que en todos los esquemas que encuentro de este tipo de amplificadores tienen el valor de entre 100 y 130ohm
toni diaz
por el 12/11/2023
Podrías poner el esquema de ese amplificador? Me despista que digas resistencia de cátodo en un push pull, es bias fijo o por cátodo?
MaxMax
por el 12/11/2023
Es bias por cátodo, me refiero a la resistencia común de los cátodos de las el84
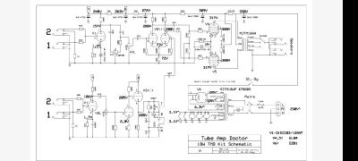
Archivos adjuntos ( para descargar)
Screenshot_2023-11-12-21-07-50-527_cn.wps.moffice_eng.jpg
toni diaz
por el 12/11/2023
Fijate que la tensión de placa que debería tener para esa resistencia es de 317V. Y comentas que tienes 335V. Esto hace que tengas el bias por encima del máximo recomendado, solución aumentar resistencia de cátodo, como referencia deberías tener una intensidad en dicho cátodo de 25mA al 70% de la potencia de disipación maxima
Pedro Vecino
por el 13/11/2023
Disipación en las válvulas y potencia sonora son cosas distintas. En un ampli como ese, con 336 voltios en los placas y 11,8V a través de una resistencia de 180 Ohmios la potencia disipada por el conjunto es de 21 vatios [(11,8 : 180) . (336 - 11,8)]. En ese circuito la tendencia natural es al equilibrio entre ellas pero puede ocurrir que esos 21 vatios no esté divididos perfectamente entre ellas. Eso solo se puede saber midiéndolas individualmente (a través de las placas, por ejemplo).
En ese modelo la disipación original es entre 12 y 13 vatios por válvula (a veces más ya que la respuesta de diferentes EL84 en un mismo circuito también lo es), lo que supone una resistencia de cátodo de menor valor que la que usas. Es decir: cada válvula tiene que quedar ajustada al máximo de disipación en estado de reposo. Es después, al exceder el volumen de cierto punto cuando esta baja ligeramente en lugar de subir. Esto es propio de los amplis con bias por cátodo.
Así pues, una resistencia de alrededor de 135 Ohmios ubicaría el ajuste más cerca de su sitio.
Las EL844 de JJ son una adaptación moderna de las antiguas EL83 para el patillaje de la EL84 y vienen a disipar 9 vatios por válvula. Solo las he probado una vez en un ampli con bias fijo y no se escapan del rango típico de las EL84 pero acomodado a su potencia. Es cuestión de instalarlas y medirlas. Puede que ni siquiera requieran reajuste. No obstante la diferencia con ellas deberá ser más bien pequeña: un 70% de la potencia actual aproximadamente.
MaxMax
por el 13/11/2023
Pero entonces si reduzco el valor de la resistencia de cátodo no disipará aún más calor?
Cuando uso el amplificador a la media hora empieza a sonar rajado y una el84 se pone al rojo vivo, al cabo de un rato vuelve a funcionar bien, es una pareja bastante nueva de el84 sobtek, creo que les estoy dando más chicha de la que aguantan, con las JJ no me pasaba. Si reduzco la resistencia no se calentarán más todavía?
Había pensado en subirla aunque perdiera algo de potencia (o disipación) y también pensé en instalar dos resistencias del doble de valor, una para cada válvula.
Si tengo 21w supongo que las EL844 las freiria en nada
Pedro Vecino
por el 14/11/2023
De nada.
Nuevo post

Regístrate o para poder postear en este hilo