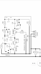
Un JCM200, resulta que alguien metio las manos dentro, fijaros la cagada, me he encontrado los conectores cambiados de sitio, por ejemplo, he visto que el conector CON 9 de dos pines, conector que hay en la primera pagina justo despues del seguidor de catodo (ultimo triodo justo antes de la inversora) esto esta en la pagina 1 del pdf.
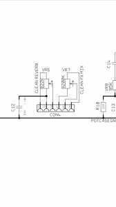
Pues esto esta conectado con el conector CON 11 de la segunda pagina del pdf, es una cagada, me di cuenta que me estaba corticircuitando a masa el condensador C16, una locura.
Bueno, pues tengo un problema!!! el pdf como podeis ver, funciona de la suigiente manera:
El amplificador consta de varias placas, cada placa tiene sus conectores llamados CON 9, CON 11, CON 12, CON 6 etc........
Entonces, ¿que hago yo ahora si un espavilao me ha cambiado cables de sitio y el pdf lo explica todo muy bien placa por placa pero no la relacion de conexion entre unas y otras placas? ¿como puedo yo saber donde va cada conector de una placa a la otra?
a ver si me podeis ayudar, por que esa informacion no me la da el pdf!!!
http://www.mediafire.com/file/l3pbn8pjeamjm3m/Marshall-JCM2000-TSL100-100W-Schematic.pdf/file
Pues esto esta conectado con el conector CON 11 de la segunda pagina del pdf, es una cagada, me di cuenta que me estaba corticircuitando a masa el condensador C16, una locura.
Bueno, pues tengo un problema!!! el pdf como podeis ver, funciona de la suigiente manera:
El amplificador consta de varias placas, cada placa tiene sus conectores llamados CON 9, CON 11, CON 12, CON 6 etc........
Entonces, ¿que hago yo ahora si un espavilao me ha cambiado cables de sitio y el pdf lo explica todo muy bien placa por placa pero no la relacion de conexion entre unas y otras placas? ¿como puedo yo saber donde va cada conector de una placa a la otra?
a ver si me podeis ayudar, por que esa informacion no me la da el pdf!!!
http://www.mediafire.com/file/l3pbn8pjeamjm3m/Marshall-JCM2000-TSL100-100W-Schematic.pdf/file
Responder
Citar
