Hola muy buenas,
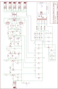
tengo un Blacheart BH15H y quisiera añadirle un interruptor de standby. Creo que no le ira nada mal para la durabilidad de las válvulas ya que se caliente bastante, así podria poner a calentar las válvulas antes de arrancar el ampli. Aquí adjunto el esquema del ampli, yo creo que instalando un interruptor con diferentes contactos para dar continuidad en los fusibles F2 y F3 ya estaria. Ya que me parece que F4 és el que da tensión a los calentadores de las válvulas.
Alguien sabe si estoy en lo cierto? Algun consejo?
Gracias por la atención
Un saludo
tengo un Blacheart BH15H y quisiera añadirle un interruptor de standby. Creo que no le ira nada mal para la durabilidad de las válvulas ya que se caliente bastante, así podria poner a calentar las válvulas antes de arrancar el ampli. Aquí adjunto el esquema del ampli, yo creo que instalando un interruptor con diferentes contactos para dar continuidad en los fusibles F2 y F3 ya estaria. Ya que me parece que F4 és el que da tensión a los calentadores de las válvulas.
Alguien sabe si estoy en lo cierto? Algun consejo?
Gracias por la atención
Un saludo
Responder
Citar
