Uno de los problemas que nos acompañan en este mundillo es el temible ruido de fondo, sobre todo en las pastillas Single Coil. Hay innumerables soluciones para intentar remediarlo, pero casi todas suponen o bien modificar radicalmente nuestra guitarra, o incluir circuitería activa, batería, etc. incluso muchas veces tendremos que tener un conector de salida que no será siempre compatible con el estándar, como una salida balanceada. Todo esto supone grandes inconvenientes y en la mayoría de los casos nos echará para atrás y acabaremos por no hacer nada.
La idea básica de una señal balanceada es en principio muy sencilla. Mientras que en una señal no balanceada tenemos dos "polos" en la balanceada tenemos tres: una masa (GND), un hot (+) y un cold (-). En realidad las señales hot y cold son la misma señal pero invertidas entre sí, o sea, con un desfase de 180º.
Esto puede sonar raro, pero no lo es tanto. Pensemos en un micrófono dinámico, que básicamente no es más que una bobina que produce una señal en función de las ondas sonoras que inciden en una membrana solidaria a dicha bobina. Una pastilla de una guitarra eléctrica es más o menos lo mismo, al final tenemos también una bobina.
Cuando las cuerdas vibran dentro del campo magnético generado por los polos (piezas metálicas magnéticas que tienen incluidas) de las pastillas, hace que el campo magnético que atraviesa las bobinas varíe, y esto induce una tensión en los extremos de las bobinas de las pastillas.
Pues bien, la señal que hay entre los extremos de la pastilla es de tal forma que son opuestas entre sí, están desfasadas 180º y por tanto podremos considerar que tenemos un hot (+) y un cold (-) como en una señal balanceada.
Es importante notar que el ruido que incluye la señal es en teoría el mismo en ambos extremos de la pastilla, es decir, el ruido no va desfasado 180º, sino que va en la misma fase, de manera que la diferencia entre ambos extremos sería nula, mientras que la diferencia de señal sería de un factor de 2x.
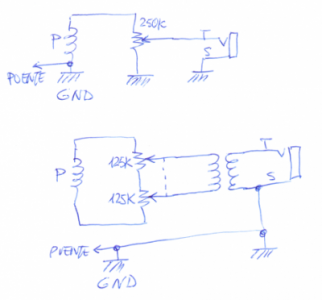
Con estos principios en mente, se podría desarrollar un circuito balanceado para nuestra guitarra con solamente añadir un dual gang volume pot, o sea, un volumen de doble pista (estéreo) y un trafo como los utilizados con los micros dinámicos.
La diferencia fundamental es que las pastillas quedarían flotantes, es decir, no tienen referencia a masa, que ahora se quedaría reducida al puente de la guitarra, que esta si que se conectaría a la masa del amplificador.
No he realizado prueba alguna, es solamente una idea que me ronda por la cabeza y que podría funcionar realizando unos cambios en la guitarra muy pequeños.
La idea básica de una señal balanceada es en principio muy sencilla. Mientras que en una señal no balanceada tenemos dos "polos" en la balanceada tenemos tres: una masa (GND), un hot (+) y un cold (-). En realidad las señales hot y cold son la misma señal pero invertidas entre sí, o sea, con un desfase de 180º.
Esto puede sonar raro, pero no lo es tanto. Pensemos en un micrófono dinámico, que básicamente no es más que una bobina que produce una señal en función de las ondas sonoras que inciden en una membrana solidaria a dicha bobina. Una pastilla de una guitarra eléctrica es más o menos lo mismo, al final tenemos también una bobina.
Cuando las cuerdas vibran dentro del campo magnético generado por los polos (piezas metálicas magnéticas que tienen incluidas) de las pastillas, hace que el campo magnético que atraviesa las bobinas varíe, y esto induce una tensión en los extremos de las bobinas de las pastillas.
Pues bien, la señal que hay entre los extremos de la pastilla es de tal forma que son opuestas entre sí, están desfasadas 180º y por tanto podremos considerar que tenemos un hot (+) y un cold (-) como en una señal balanceada.
Es importante notar que el ruido que incluye la señal es en teoría el mismo en ambos extremos de la pastilla, es decir, el ruido no va desfasado 180º, sino que va en la misma fase, de manera que la diferencia entre ambos extremos sería nula, mientras que la diferencia de señal sería de un factor de 2x.
Con estos principios en mente, se podría desarrollar un circuito balanceado para nuestra guitarra con solamente añadir un dual gang volume pot, o sea, un volumen de doble pista (estéreo) y un trafo como los utilizados con los micros dinámicos.
La diferencia fundamental es que las pastillas quedarían flotantes, es decir, no tienen referencia a masa, que ahora se quedaría reducida al puente de la guitarra, que esta si que se conectaría a la masa del amplificador.
No he realizado prueba alguna, es solamente una idea que me ronda por la cabeza y que podría funcionar realizando unos cambios en la guitarra muy pequeños.
2
Responder
Citar
