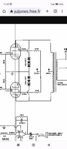
Buenas a tod@s. Pido ayuda a los gurus del foro a ver si me pueden iluminar. Veréis, llevo tiempo viendo que hay gente en los foros americanos/británicos que comentan algo de que se suelen poner tres diodos en los zócalos de las válvulas de potencia, en concreto en los pines 8 y 3. Alguien sabe exactamente la función de esos diodos? algunos dicen que es para proteger el trafo de salida y otros que es para poder seguir utilizando el ampli aunque casque alguna válvula, pero no me queda muy claro porque no tengo ni papa de ingles ni de electrónica. Gracias!!
¿Función de los diodos en las válvulas de potencia?
OFERTAS Ver todas
-
-17%Harley Benton DNAfx GiT Mobile II
-
-17%tc electronic JUNE-60 Chorus V2
-
-7%Harley Benton SC‑Custom III Active VBK
Depende de que válvula sea irá en un pin u otro, si se jode una válvula de un push pull se jode el sonido, a lo bruto y no es así exactamente pero una válvula se encarga del lado positivo de la señal y la otra del negativo así que si se estropea dejaras de oír bien tu sonido,
Los diodos se ponen para proteger a las válvulas de sobretensiones y picos de retorno del transformador de salida
Los diodos se ponen para proteger a las válvulas de sobretensiones y picos de retorno del transformador de salida
Nuevo post
Regístrate o identifícate para poder postear en este hilo
