Pues quería agradeceros a todos, compañeros, la participación en el hilo, hace un rato he acabado de probar ésto:
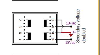
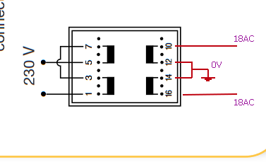
Tengo 18.12 y -18.08 pero creo que podré vivir con ello

Al final usé un esquema de ésa misma página. Me faltan un par de disipadores que tengo de alguna barbarie previa que intenté y fracasó.
Quería agradeceros la ayuda, la orientación y las indicaciones. Yo, aparte de pasármelo genial, leyendo he aprendido un poquitín más de transformadores, algo de corriente alterna y continua, he usado por primera vez placas de éstas y en general me he gozado el proceso.
Al final no usé el transformador que sugería Pedro, no por nada, es que en RSComponentes no estaba el regulador 7918 y aparte, para comprar una cantidad maja de cosas, bien, pero para cosas sueltas... no sé. Eso sí, el catálogo es impresionante.
Acabé comprando en Cetronic, que no había comprado nunca aunque en algún momento me hice cuenta de usuario y dejando al margen que sean paisanos, una de las alegrías de éste viaje.
Tuve un problema con el pedido (por error mío con el carrito), lo detectaron ellos, me llamaron, lo arreglamos en seguida, me llegó a Madrid rapidísimo y en general, gente encantadora y una tienda en la que volverán a caer pedidos sin duda.
Así que nada, a ver si localizo unos potenciometros estereo que me faltan, un par de condensadores de valores poco habituales y San Miser me ilumina para reciclar alguna caja maja (alguna idea tengo) y a ver si os puedo enseñar el cacharro, pero gracias a éste hilo, la parte que se me hacía cuesta arriba ha sido de divertimento y un poquito de aprendizaje.