Footswitch TRS. Dónde soldar?

Solucionado
rawperez
por el 09/02/2022
Muy buenas a todos.

Estoy buscando esta info pero no consigo encontrar justo lo que necesito, estaría muy agradecido de la ayuda que me podáis ofrecer.

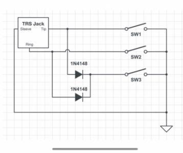
El caso concreto es que quisiera hacerme un footswitch casero pero necesito que sea estéreo (con cable TRS), es para añadirlo a un controlador MIDI de Morningstar. He conseguido averiguar qué tipo de interruptor es necesario (Momentary y normaly open) y lo mismo para la entrada del cable. También tengo un esquema de cómo debe ir el asunto pero soy un completo ignorante en temas electrónicos y no lo entiendo. Subo fotos de todo a ver si alguien sabe decirme qué y dónde soldar en función del esquema.

Muchas gracias y saludos!!!
Archivos adjuntos ( para descargar)
266E12CF-67AE-41CC-AF7E-7946BAE521D3.jpeg
16B738EC-8941-49A4-A4D6-FCC9F356A2EE.jpeg
F021C803-1E3A-4C57-B537-E46D0807C7A8.jpeg
DA040777-6F1A-432E-8270-AC4F528D2DFB.jpeg
OFERTAS EN TIENDAS Ver todas
  • -13%
    Epiphone 1963 Firebird V Vibrola PW
    1.399 €
    Ver oferta
  • -13%
    Harley Benton SC-Custom III Baritone
    349 €
    Ver oferta
  • -13%
    Harley Benton DNAfx GiT
    129 €
    Ver oferta
SEGUNDA MANO EN MERCASONIC Ver todo
  • Fender custom 57 deluxe
    2.000 €
    Ver
  • Guitarra Hagstrom Swede White gloss.
    400 €
    Ver
  • MARTIN Acoustic Guitar Bridge Pin Set Negro con punto blanco
    25 €
    Ver
¿Tienes equipo que ya no usas? Véndelo en Mercasonic
Solución elegida por el creador del hilo (rawperez)
Tommy Blackbird
por el 09/02/2022
Según el esquema, hay 3 pulsadores carling. Una da las patillas de cada uno (da igual cual) irá a la tierra (sleeve) del Jack TRS hembra. La patilla libre que quedará en cada uno de los pulsadores irá según el esquema

Pulsador 1
1 --> tierra del jack trs
2 --> patilla tip del jack trs.

Pulsador 2
1 --> tierra del jack trs
2 --> patilla ring del jack trs.

Pulsador 3
1 --> tierra del jack trs
2 --> a la patilla tip del jack trs con un diodo 1N4148 entre ambos
2 --> a la patilla ring del jack trs con un diodo 1N4148 entre ambos.

De las 3 patillas del jack, ahora no recuerdo cuál es cual, pero no te será difícil deducirlo siguiendo los contactos metálicos en forma de gancho. El largo tip, el corto ring y el restante tierra.
rawperez
por el 09/02/2022
Muchas gracias, Tommy!
Iluso de mí pensaba que era soldar convenientemente y listo. Acabo de pedir unos diodos de esos que me dices (y aparecen en el esquema). Y como desconozco tanto del tema intuyo que tu respuesta es del todo aclaratoria pero sigo perdido. No sé lo que es un pulsador carling o cómo llevarlo a la práctica para saber qué patillas unir del switch al jack. Sí distingo bien las tres partes en el jack que dices, algo es algo. Voy a investigar más y si no recurriré a un técnico del pueblo, lo cual no he hecho antes por la mala follá y peor fama que tiene.
Muy muy agradecido!!!!
Rubiolus
por el 09/02/2022
Te lo han explicado bien fácil hombre, no vayas dónde el maula ese....

Este es el switch que necesitas...una de las patillas la conectas a dónde corresponda y la otra a masa (o sea al sleeve)....la masa te la proporciona la clavija macho TRS que viene del dispositivo midi (que a la vez vendrá del ampli, que es el que te proporciona la masa) cuando la metes en el jack

a03edf8e18dcafb2cb1b7fd324c01-2769106.jpeg

https://www.retroamplis.com/epages/62070367.sf/es_ES/?ObjectPath=/Shops/62070367/Products/FSW-SPST-MNO-S

El jack...ahi te pone que es cada patilla, sólo tienes que seguirlo

e4245ce6e26a8d357b1b5b2815c53-2769106.jpeg

https://www.retroamplis.com/epages/62070367.sf/es_ES/?ObjectPath=/Shops/62070367/Products/J-SC12B

Los diodos se conectan asi:

26baacab51439fbf2b856ffc96e64-2769106.jpeg

Tendrás que hacerte con una caja dónde meter todo

https://www.retroamplis.com/epages/62070367.sf/es_ES/?ObjectPath=/Shops/62070367/Products/ENC-1590B

Para finalizar te paso un adjunto con un cutre montaje rápido para que te apañes y quites el miedo

[ Imagen externa no disponible ]
rawperez
por el 09/02/2022
Que bombazo de esperanza en la humanidad ma dao de golpe. No, en serio, no me extraña tanto, conozco esta comunidad desde hace tiempo.

Pero siento ser tan torpe… entiendo mi confusión algo mejor. El esquema ese que he puesto no es el correcto, yo quiero sólo un pulsador, no tres, de hecho tengo la cajita y todo y es sólo para uno, aparte de que más grande ya no me cabe en la tabla. En ese esquema yo pensaba que había una entrada jack estéreo y un solo pulsador.
Así que a pesar de las dos excelentes repuestas todavía no tengo claro qué tendría que soldar y si necesito los diodos.

Me da apuro pero hago una síntesis por sí me puedes ayudar de nuevo, si no es molestia, por supuesto. Tengo el pulsador, sólo uno, es además el modelo indicado por el fabricante del controlador midi al que se lo voy a enchufar. Tengo la entrada jack stereo y la cajita.
Quizás ahora lo pongo más complicado porque no tengo esquema… o quizás al ser un solo pulsador la cosa se pone más fácil todavía…

Muchas gracias!!!!
L
rawperez
por el 09/02/2022
Creo que ya lo tengo, con ambas explicaciones, a pesar de equivocarme en el esquema, veo que es muy sencillo… lo que es menester ahora es que mi lógica no esté a la altura de mis conocimientos de electrónica hiper básica!

Muchísimas gracias a los dos!!! Y mucha suerte y mucha salud!!!
Tommy Blackbird
por el 10/02/2022
Si no vas a poner 3 pulsadores, en teoría no necesitas los diodos, que son sólo para el pulsador 3.

Yo me he hecho pedales con 1 solo pulsador para hacer de tap tempo para un delay, y otro de dos para manejar una HX Stomp, y en ambos casos es lo más sencillo que existe.

Con las explicaciones anteriores y las fotos de @Rubiolus deberías tener suficiente para montarte un pedal de 1 o 2 pulsadores. Solo tienes que eliminar los pulsadores que no vayas a usar.


Pulsador 1
patilla 1 --> patilla sleeve/tierra del jack trs
patilla 2 --> patilla tip del jack trs.

(Repito, que en el pulsador da exactamente igual qué patilla uses para cada cosa).

Como dato de cultura general, la idea de estos pulsadores es que conecten/desconecten las partes del jack para que la Morningstar sepa que has pulsado algo. Al ser un cable estéreo, tienes 3 posibles combinaciones de conexiones entre ellos:

- tip + sleeve
- ring + sleeve
- tip + ring

Por tanto, si tienes una pata del switch que va al tip y otra que va a la tierra, al pulsar en el switch en mecanismo interno del pulsador conectará o desconectará ambas patillas, abriendo o cerrando el circuito entre ambos.

Los diodos creo que se utilizan para que en el combo "tip + ring" no hay un falso positivo de una pulsación de las otras dos opciones, ya que los diodos solo dejan pasar la conexión en 1 sentido.

No sé si te ayudo o te lío más, pero a mi entender la lógica de las cosas me ha ayudado mucho en el mundillo del DIY.
Rubiolus
por el 10/02/2022
#7

Muy interesante el dato de cultura general...yo si lo he entendido :D
rawperez
por el 10/02/2022
Entendido alto y claro, Tommy.

Llegué a entender todo después leyendo detenidamente y con más calma.... Lo que me despistó desde el principio fue el esquema, mi desconocimiento total no me hacía ver lo evidente, incluso después de decirlo tú en la primera respuesta, que aparecen tres pulsadores, no uno! Por fin tengo claro qué es cada patilla del jack, que las patillas del pulsador son idénticas y no tengo que elegir una concreta, las diferentes opciones que tengo para soldar, lo fácil que es hacer un pedal para un solo pulsador...

Sabía cual es la función de los pulsadores pero ni idea del cómo. Todo esto del midi es algo totalmente nuevo para mí, cambié el bajo por la guitarra hace tres años y antes de eso apenas había utilizado pedales... que no sé si ha sido buena idea porque aunque me la estoy gozando supone un vicio nada económico. No me gusta hacer perder el tiempo a nadie, a veces veo por ahí dudas que se solucionan muy rápido con tan solo prestar un pco de atención a los benditos inventos que son los manuales. Así que muchísimas gracias de corazón porque veo que ambos os habéis tomado la molestia de explicar todo de forma estupenda y con muuuucha paciencia.

Fuerte abrazo para los dos!!!
Nuevo post

Regístrate o para poder postear en este hilo