Hola,
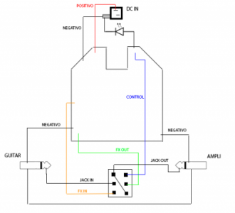
Recientemente he intentado montar el Zombie Chorus siguiendo la receta de Miguel Badía (MBC) que tiene puesta en pisotones.com. He hecho todo incluyendo las modificaciones y la revisión B.
El enlace es este: http://www.pisotones.com/Zombie/MBC/Z2/ZCh2.htm
El tema es que he montado todo, me he asegurado de que no haya ningún corto y que todo esté en su sitio. Sin embargo, cuando conecto todo y enciendo el pedal, suena la guitarra igual de limpia pero sin ningún tipo de efecto. El LED de aviso se enciende y se apaga cuando pulso el DPDT. Moviendo los potes y tocando los dos conmutadores sigue sonando igual.
¿Alguien sabe a qué puede deberse este problema? Estoy pensando que igual sea problema del MN3007 que es el que principalmente hace el efecto echo, pero quiero asegurarme antes de comprar uno nuevo. Los otros tres IC los he comprado de nuevo por si acaso pero nada.
Muchas gracias!!!
Recientemente he intentado montar el Zombie Chorus siguiendo la receta de Miguel Badía (MBC) que tiene puesta en pisotones.com. He hecho todo incluyendo las modificaciones y la revisión B.
El enlace es este: http://www.pisotones.com/Zombie/MBC/Z2/ZCh2.htm
El tema es que he montado todo, me he asegurado de que no haya ningún corto y que todo esté en su sitio. Sin embargo, cuando conecto todo y enciendo el pedal, suena la guitarra igual de limpia pero sin ningún tipo de efecto. El LED de aviso se enciende y se apaga cuando pulso el DPDT. Moviendo los potes y tocando los dos conmutadores sigue sonando igual.
¿Alguien sabe a qué puede deberse este problema? Estoy pensando que igual sea problema del MN3007 que es el que principalmente hace el efecto echo, pero quiero asegurarme antes de comprar uno nuevo. Los otros tres IC los he comprado de nuevo por si acaso pero nada.
Muchas gracias!!!
Responder
Citar

.