Hola a todos:
Escribo para pedir de su ayuda en lo siguiente:
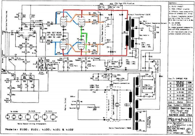
Tengo un marshall JCM 900 Hi gain dual reverb model 4100 y sucede una falla interesante la cual me gustaria saber si alguno de ustedes la ha presentado y la describo acontinuación:
Despues de tocar 30 minutos aproximadamente se va la señal por segundos y vuelve a regresar y al mismo tiempo se presenta un ruido similar al que presenta un potenciometro cuando esta sucio. A este amplificador no le he cambiado los power amp y preamp valves, mi pregunta es si será que esta falla sea por la falta de cambio de las valvulas, y si es asi, puedo poner unas valvulas EL34 por las 5881??
De antemano gracias por la ayuda que me puedan proporcionar y seguimos en contacto.
Un fuerte abrazo.
JDJProducer:leyendo:
Escribo para pedir de su ayuda en lo siguiente:
Tengo un marshall JCM 900 Hi gain dual reverb model 4100 y sucede una falla interesante la cual me gustaria saber si alguno de ustedes la ha presentado y la describo acontinuación:
Despues de tocar 30 minutos aproximadamente se va la señal por segundos y vuelve a regresar y al mismo tiempo se presenta un ruido similar al que presenta un potenciometro cuando esta sucio. A este amplificador no le he cambiado los power amp y preamp valves, mi pregunta es si será que esta falla sea por la falta de cambio de las valvulas, y si es asi, puedo poner unas valvulas EL34 por las 5881??
De antemano gracias por la ayuda que me puedan proporcionar y seguimos en contacto.
Un fuerte abrazo.
JDJProducer:leyendo:
Responder
Citar



