Fabricacion pedal para bajo facil

ddfa92
por el 01/08/2012
En estos días me he querido hacer uno, pero no se cual, todavía soy principiante en esto así que quisiera saber si alguien sabe de alguno que sea fácil de fabricar
Gracias! :D
OFERTAS EN TIENDAS Ver todas
  • -14%
    Harley Benton SC-Custom III Moritz Yellow
    299 €
    Ver oferta
  • -37%
    PRS MT 15 Amp V2
    599 €
    Ver oferta
  • -9%
    Boss Katana Go Headphone Bundle
    125 €
    Ver oferta
SEGUNDA MANO EN MERCASONIC Ver todo
  • Gibson Les Paul Junior Vintage Tobacco Burst
    1.350 €
    Ver
  • Line 6 RELAY G10 Digital Wireless Guitar System
    65 €
    Ver
  • Pie de Micrófono ADAM HALL STANDS Modelo S5BE NUEVO
    15 €
    Ver
¿Tienes equipo que ya no usas? Véndelo en Mercasonic
electronovato
por el 01/08/2012
¿Que efectos te gustaría hace? ¿Cualquiera?
electronovato
por el 01/08/2012
Podrías armar este efecto, si es que te gusta, la verdad es muy sencillo

ddfa92
por el 01/08/2012
bueno, pues estoy en la tapa de experimentar cosas nuevas hahaha, compre un Bass big muff pi, pero quiero hacer uno por mi cuenta (ademas sale muy costoso comprarlo) y que mejor que hacerlo uno, Quisiera hacerme con un efecto como el Wah o uno como el bassballs (lo vi por ahí pero no entendí nada XD)
y lo máximo que he hecho de electrónica es una fuente DC de 12 V
electronovato
por el 01/08/2012
Te dejo todo lo que necesitas, para hacer un pedal de ese tipo (nada es de mi propiedad).
Archivos adjuntos ( para descargar)
📄 ggg_cb1_pcb.pdf
Inicia sesión para ver este archivo
📄 ggg_hog_bom.pdf
Inicia sesión para ver este archivo
📄 ggg_hog_lo.pdf
Inicia sesión para ver este archivo
📄 ggg_hog_sc.pdf
Inicia sesión para ver este archivo
electronovato
por el 01/08/2012
El famoso bassballs no es difícil de fabricar, pero tampoco es de los pedales mas sencillos, esta intermedio, lo puedes intentar, pero te recomiendo poner mucha atención y cuidado.

¿Que fue lo que no entendiste del Bassballs?
ddfa92
por el 01/08/2012
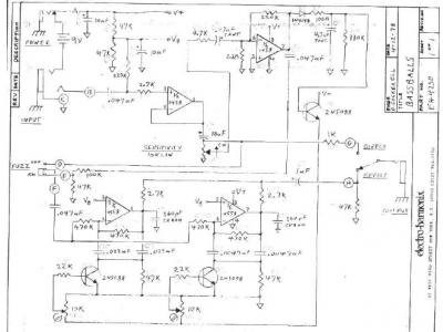
Gracias por la informacino de ese pedal, pero no escucho muy bien el efecto

el modelo que vi fue de aca del bassballs

https://www.guitarristas.info/foros/fabricacion-eh-bass-balls/105684

el condensador 2 es de 10f ??? y el C8 es de 1F?
ademas no pude conseguir el 2N5088, el que me dieron fue el 2N5089, ¿Es mucha la diferencia?

Gracias de antemano!
electronovato
por el 01/08/2012
Los dos capacitores son micro faradios; El pedal originalmente utiliza el 2N5088 pero parece que el 89 es idéntico; Para sustituir un transistor tienes que saber si son NPN o PNP ademas tener en cuenta como tiene acomodadas las terminales (la base, el emisor, y el colector) ya que varia en todos los transistores, también hay que consideran el voltaje y la corriente con que trabajan cada uno; En este caso parece que te funcionara el que te vendieron, solo ten cuidado de no colocarlo al revés.

Te dejo el diagrama original por si tienes alguna otra duda, aunque no se alcanza a ver bien, tiene la información mas completa (El post que anda por aquí parece que solo era copia y pega).

También te dejo la hoja de datos de los transistores.
Archivos adjuntos ( para descargar)
EHBassBalls.old.jpg
📄 2N5088-89.pdf
Inicia sesión para ver este archivo
electronovato
por el 01/08/2012
Espero te sea util, cualquier otra cosa me avisas. Saludos
Nuevo post

Regístrate o para poder postear en este hilo