Hola, no sé si se ha escrito antes sobre este tema, si es así mis disculpas.
Tengo desde hace tiempo dos unidades americanas, dos racks, que van a 110 v.
Las tengo conectadas a un rack Furman 110 v y éste a un transformador.
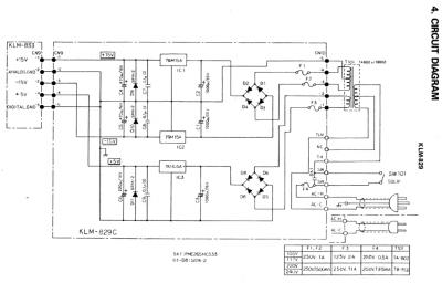
Para aligerar el equipo he pensado en cambiar el transformador de los racks por unos de 220 v.
Se tratan de dos delays Kord SDD 2000.
He intentado buscar información pero no he tenido suerte.
Agradecería cualquier información al respecto.
Saludos.
Tengo desde hace tiempo dos unidades americanas, dos racks, que van a 110 v.
Las tengo conectadas a un rack Furman 110 v y éste a un transformador.
Para aligerar el equipo he pensado en cambiar el transformador de los racks por unos de 220 v.
Se tratan de dos delays Kord SDD 2000.
He intentado buscar información pero no he tenido suerte.
Agradecería cualquier información al respecto.
Saludos.
Responder
Citar
