Esto es un control de resonancia en el blues junior iv ? Si no que es y que hace?
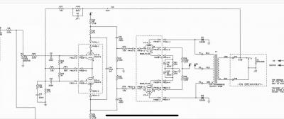
El blues junior iv revisión 2 o de placa negra, trae bias por cátodo que con lo poco que entiendo le permitiría andar a las el84 a su maximo , también me parece romperían antes más ganancia , más distorsión. Y no sé si el añadir r60 en paralelo a c9 antes de r27 funcione para domar algunas frecuencias indeseables , pero cuáles? Agudas principalmente ? Que es aquí donde me enrredo , alguien que me lo aclare . Gracias. !!!
El blues junior iv revisión 2 o de placa negra, trae bias por cátodo que con lo poco que entiendo le permitiría andar a las el84 a su maximo , también me parece romperían antes más ganancia , más distorsión. Y no sé si el añadir r60 en paralelo a c9 antes de r27 funcione para domar algunas frecuencias indeseables , pero cuáles? Agudas principalmente ? Que es aquí donde me enrredo , alguien que me lo aclare . Gracias. !!!
Responder
Citar

: