Hola, voy a cambiar los condensadores de señal a mi ampli pero tengo algunas dudas.
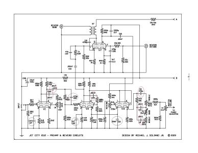
según la valvula la señal va del pin 2 al 7, serian estos los que se cambian ¿no es así?
los pin 1 y 6 son el ánodo y tamb ién afectan (creo)
los pin 3 y 8 van al cátodo y estos creo que no afectarían.
Entonces debería cambiar los que he señalado de rojo ya que los que están en azul no afectarían al sonido. No se si esto es correcto o no, a ver si alguien con conmocimientos en electrónica me puede hechar una mano.
según la valvula la señal va del pin 2 al 7, serian estos los que se cambian ¿no es así?
los pin 1 y 6 son el ánodo y tamb ién afectan (creo)
los pin 3 y 8 van al cátodo y estos creo que no afectarían.
Entonces debería cambiar los que he señalado de rojo ya que los que están en azul no afectarían al sonido. No se si esto es correcto o no, a ver si alguien con conmocimientos en electrónica me puede hechar una mano.
Responder
Citar
