Class 5: ¿vale la pena?

josep_cla
por el 15/04/2020
Buscando un ampli para casa me he encontrado el C5.
Tiene buena pinta pero el precio no está tan bien como me gustaría.

Ya he visto los videos y no voy a ir a una tienda a probarlo en esta situación...
Además, para el uso que le voy a dar prefiero comprar a alguien de foro: quitarle un trasto de encima a alguien que le sobre y ahorrarme algo de dinero.

Alguien lo tiene y está enamorado de él? Alguien lo odia?
Lo usaría con pedales para sacarle un poco más de chicha.

Gracias!
OFERTAS EN TIENDAS Ver todas
  • -15%
    Fender Frontman 10G
    75 €
    Ver oferta
  • -59%
    Hughes & Kettner Spirit AmpMan Classic
    145 €
    Ver oferta
  • -14%
    Harley Benton SC-Custom III Silver Sparkle
    299 €
    Ver oferta
SEGUNDA MANO EN MERCASONIC Ver todo
  • Gretsch G6298 16" Hollow Body Flat Top Hardcase
    150 €
    Ver
  • Tipo Pinnacle Distorsión Analógica‼️ENVIO INCLUIDO
    110 €
    Ver
  • Preciosa Schecter Demon 06 modificada
    275 €
    Ver
¿Tienes equipo que ya no usas? Véndelo en Mercasonic
jaimebcn
por el 15/04/2020
Hola,

Yo tuve uno y lo he usado hasta en directo. Es un combo ligero y compacto. Creo que no debería haberlo vendido, precisamente por esta razón y lo que te cuento a continuación. Pero tenía demasiados amplificadores.

A pesar de ser compacto y tener solamente 5 watios, cuidado: Tiene mucho, mucho volumen. Si tiene atenuador incorporado es una buena opción para usarlo en casa, pero esos 5W rinden muchísimo para tocar en casa, desde mi punto de vista. A no ser que uses una pedalera con efectos (saturaciones, etc)

El cono original de 10"es bastante decente, no tienes por que cambiarlo aunque mucha gente lo hace.

Respecto al sonido tengo que decir que a mí me gusta, es una buena base para meterle pedales ya que satura poco de por sí (de lo que recuerdo), solamente lo hace a volúmenes altos. Suena a Marshall? Bueno, depende de lo que entiendas por sonido Marshall, desde mi punto de vista sí suena a Marshall teniendo en cuenta que no es ni un JCM ni un JMP ni un JTM y que son 5 watios de potencia.

Además, si tienes conocimientos de electrónica, hay muchas modificaciones interesantes que hacerle. Depende del modelo, estos amplificadores suelen tener problemas de vibraciones ya que los primeros no traían ningún retén para las válvulas de previo ni para la de potencia, por lo que a altos volúmenes había gente que se quejaba de escuchar "tintinear" las válvulas en las notas graves. Pero claro, qué combo no se mueve a altos volúmenes?

Dependiendo del modelo, también los hay que no llevan atenuador incorporado (los primeros, pero tiene solución fácil), la siguiente generación sí tiene atenuador incorporado y además depende de que modelo la placa interior es diferente ya que el lugar de fabricación es diferente (pero el circuito es el mismo).

Dependiendo del precio yo pienso que es un combo más que bien, infravalorado a mi parecer. Cabe decir que la mayoría de amplificadores de 5W están un poco en tierra de nadie ya que a veces no tienen la potencia suficiente para tocar en directo (dependiendo de la sala, del tipo de música que hagas, etc) y depende de cómo tienen demasiada potencia para tocar en casa (si no tiene atenuador). Aun y así, a mí me parece un combo estupendo.

Espero haberte ayudado.
Jaime.
josep_cla
por el 15/04/2020
Sí me ayuda. Gracias Jaime!
Horacio Tweed
por el 15/04/2020
Yo también tuve este Ampli, y como apunta el compañero, para casa da bastante más volumen de lo que se piensa en principio.

Yo en casa lo usaba también con la salida que trae para auriculares.

En cuanto al sonido, a mi me gustaba mucho.

Otra opción que también tuve y me gustaba Iara casa , el vox ac4 , lo podías regular con su atenuador a 4w, 1w o a 1/4W

En resumen, el class 5 es un buen Ampli, suena muy bien, pero si es para casa, igual 5w se pueden hacer demasiados dependiendo de cómo toques y los vecinos que te toquen jejeje :)

Saludos
josep_cla
por el 15/04/2020
Ya, claro. Estaba pensando la versión que se puede poner a 1w.
El Superlead no suena tan bien al 0.01
Horacio Tweed
por el 15/04/2020
Si te buscas la versión con atenuador, creo que es una gran opción para casa, además la salida para auriculares si te apetece tocar una por las noches vendrá siempre muy bien.

Creo que acertarás con este Ampli :)
josep_cla
por el 15/04/2020
Muchas gracias!
jaimebcn
por el 15/04/2020
Hola Josep,

En el caso de que quieras comprarlo sin atenuador, hay una pequeña modificación (si tienes mano con el soldador) que consiste en soldar un solo cable.
Esta modificación lo que hace es puentear la salida de auriculares con el altavoz del amplificador, por lo que la potencia de salida se reduce mucho.

Saludos,
Jaime.
josep_cla
por el 15/04/2020
Ostras, me interesa. Tienes un link fiable??
bluesboy
por el 15/04/2020
Hola. Tuve la versión con atenuador y es pura crema.No es un ampli de ganancia, pero yo lo que valoraba de él era su simplicidad y su sonido cremoso para el blues. Totalmente aconsejable
jaimebcn
por el 15/04/2020
Hola Josep,

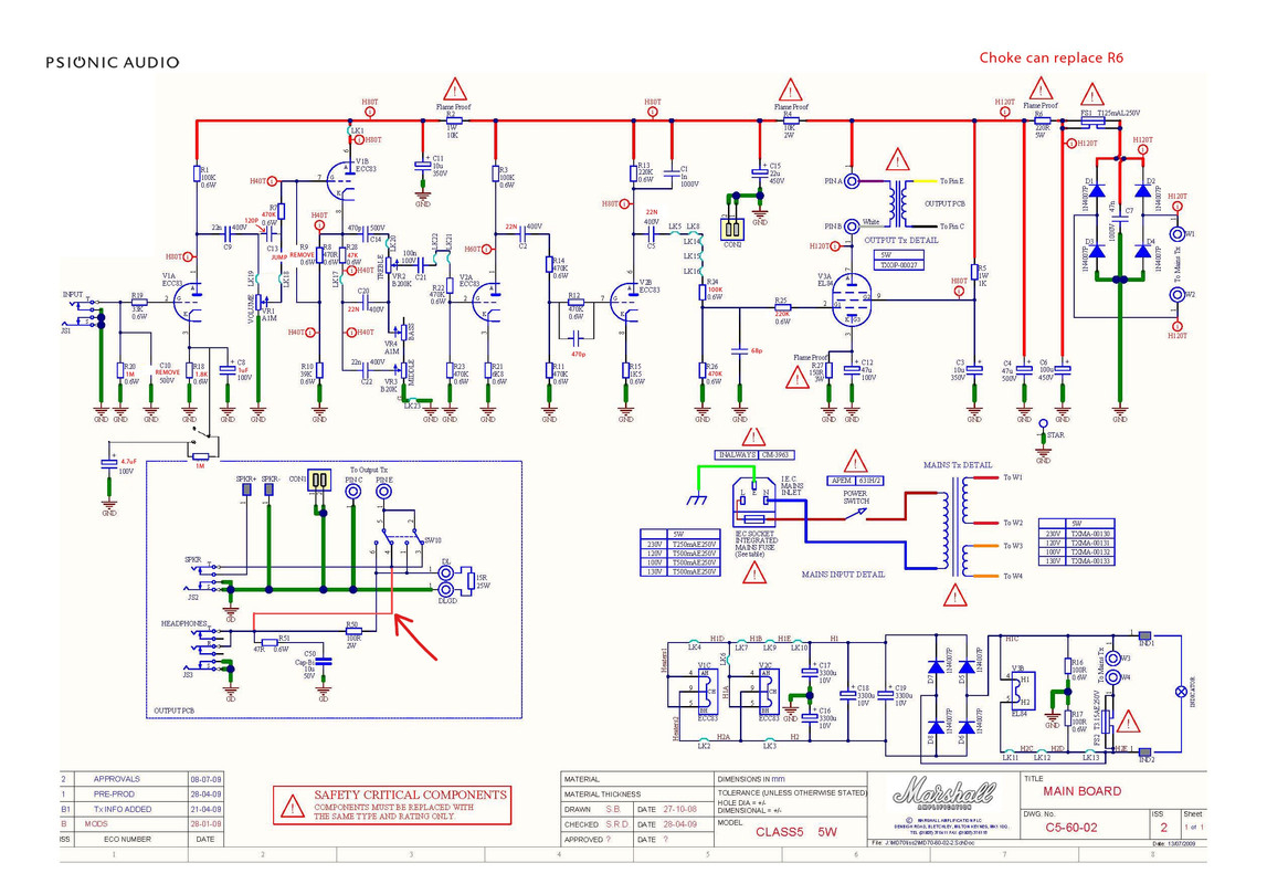
Aquí tienes un esquema donde se ve la modificación:

0557ca83f81649b8e698ae373a3a4-2536542.jpg

Hay mucha información en la web al respecto. Incluso modifiaciones para instalarle un atenuador tal cual.

Eso si, debes tener mucho cuidado, por que dentro del amplificador hay condensadores que guardan hasta 600v de tensión. Un calambrazo así puede hacerte mucho daño.
Tambien, depende del modelo, deberás desmontar casi todo el amplificador ya que esa parte del circuito (la que está dentro del cuadro azul) está en una placa que solamente se puede sacar si desmontas todo el amplificador ... cosas de la construcción de cada ampli.

Lo bueno de esta modificación es que si te cansas, la quitas otra vez y no hay problema. Lo malo es que "inhabilita" la función de mutear el cono cuando seleccionas la salida de auriculares.

Saludos,
Jaime.
josep_cla
por el 15/04/2020
Ajá, ok, me lo miro.
A ver si puedo probar uno...

Ya sé que no es high gain jeje
Para están los Metalzones \m/
Nuevo post

Regístrate o para poder postear en este hilo