Bugera V22 cambio de válvulas y cono.

Pink Freud
por el 13/10/2013
Hola amigos del foro! Soy nuevo aquí, y me presento con una pregunta.
Hace poco adquirí un Bugera V22, y mi intención era cambiar las válvulas del previo por unas 12AX7 de Mesa Boogie, o de Groove; y el par en etapa por unas Mesa Boogie o Groove EL84. El altavoz sería un Celestion de 60w. Puedo hacer todos estos cambios sin problemas? Gracias a todos, un saludo!!
OFERTAS EN TIENDAS Ver todas
  • -13%
    Harley Benton Fusion-T HH Roasted FNT
    349 €
    Ver oferta
  • -14%
    Harley Benton SC-Custom III Silver Sparkle
    299 €
    Ver oferta
  • -14%
    Harley Benton Fusion-T HH EB OCT
    299 €
    Ver oferta
SEGUNDA MANO EN MERCASONIC Ver todo
  • Bygone Spicy Ed. Especial brillo Full rosewood
    1.299 €
    Ver
  • Epiphone Gibson inspired 1950 standard Les Paul figured maple top
    455 €
    Ver
  • ‼️ENVIO INCLUIDO. Tipo ANGRY Charlie V3
    110 €
    Ver
¿Tienes equipo que ya no usas? Véndelo en Mercasonic
hellvilleRock
por el 13/10/2013
"Pink Freud" escribió:
Hace poco adquirí un Bugera V22, y mi intención era cambiar las válvulas del previo por unas 12AX7 de Mesa Boogie, o de Groove; y el par en etapa por unas Mesa Boogie o Groove EL84. El altavoz sería un Celestion de 60w. Puedo hacer todos estos cambios sin problemas?

Puedes hacerlo, pero a no ser que tengas conocimientos electrónicos tendrás que llevarlo al Técnico para ajustarle el biass, entre eso, las valvulas y el altavoz nuevo ya te estás gastando mas de la mitad de lo que cuesta el ampli.
Yo no lo haría, no te merecerá la pena, pero oye es solo mi opinion.

Saludos.
montes
por el 13/10/2013
Cambia si quieres las válvulas de previo notaras cambio en el tono, las finales tienen el problema que las has de comprar apareadas y además has de ajustar el bias que no es complicado pero tienes que tener multímetro.
Yo tengo uno y he cambiado las de previo y las finales para ajustar un poco el tono que buscaba y por que salio una microfónica .
En cuanto al altavoz olvídate, este altavoz Buguera no esta nada mal, he consultado innumerables foros incluso extranjeros y todo el que lo ha probado no ha encontrado diferencia alguna, es más algunos han tirado para atrás y al vuelto a montar el original.
Pink Freud
por el 13/10/2013
Lo de la BIAS se me escapa de control... alguien sabe que modificación hay que hacerle si quieres cambiar las válvulas? Aunque hay que tocar la BIAS incluso si em ampli lleva 12AX7 y le pones válvulas de otra marca pero de 12AX7?
bmwss
por el 25/10/2013
Te voy a explicar:
Tengo amplis bastantes caros ( 500-600-800 euros), no digo cuales, ya que enseguida se organiza el lio. Mi V-22 suena tan bien como alguno de estos caros.
Es calido, vintage, ambable y facil de sacar tonos y tonos.
Yo estve probando ciento y la madre de valvulas, tanto en previo como etapa de potencia. Con diferencia las que mejor van a este ampli son la JJ-Tesla, aportan calidez, vendimia y ese garraspeo britanico. Cuirosamente las Tung-sol que van que te cagas en otros amplis, aqui no encajan, ya que aportan mas distorsion pero garrasposa y enfangada.
Si no te atreves con la etapa cambia las 3 del previo por una JJ. perderas algo de ganancia en relacion con las Bugera, pero a cambio ganaras en calidad der sonido, calidez y mas un sonido mucho mas british clasico.
Cambiar las valvulas de la etapa no supone problema. El ampli tiene una toma rca, junto a la proteccion de las valvulas. Tambien hay un potenciometro que debes mover en funcion del voltaje que te de el polimetro que conectaras las pinzas a la toma rca. El voltaje debe ser 15,74 voltios y ya esta, asi de facil.
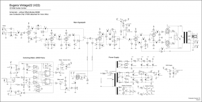
Adjunto esquema del ampli:
En cuanto al altavoz no lo cambies, es suficientemente bueno y la diferencia con un greenback es muy poca para soltar 100 euros.
En cuanto al comentario, que vale mas las valvulas y el atavoz para etse ampli, decir que todavia algunos no han probado este chisme y han comprobado como suena, la infinidad de controles y tonos que es capaz de aportar. Merece la pena cambiar valvulas, etc.
Yo lo tengo con una resistencia en paralelo y otra en serie en el atavoz, sumando 16 ohmios equivalente y la toma del atavoz a la salida de 16 ohmios. He logrado atenuar un monton de decibelios, lo que me permite tocar en casa a volumenes razonables con una muy potente ditorsion.
Archivos adjuntos ( para descargar)
bugerav22.png
1 respuesta directa
Pink Freud
por el 28/10/2013
Muchas gracias por la info y el esquema! Te iré diciendo con lo que vaya haciendo! Un saludo enorme!
Pink Freud
por el 29/10/2013
bmwss escribió:
Con diferencia las que mejor van a este ampli son la JJ-Tesla,

Al final me he decantado por las JJ-Tesla ECC83 S para las tres del previo, pero para las pareadas de etapa? Las TAD?
Ticotica
por el 01/02/2018
No entiendo nada
Según los datos que tengo , ese amplificador es de clase A.
En los amplificadores de clase A no es necesario modificar el Bias,y las válvulas no necesitan estar apareadas.
2 respuestas directas
juan carlos sanchez
por el 02/02/2018
#8
Lo mismo te refieres a la serie infinium.
Esta serie lleva ajuste de bias automático por lo que solo tienes que cambiarlas y poco mas tanto las del previo como las de la etapa de potencia.
ferthunder
por el 02/02/2018
#8 Desde que publicó ese post en 2013 habrá cambiado las válvulas del previo, las de la etapa, el ampli, el estado civil, y hasta de continente...
Ticotica
por el 02/02/2018
No me he dado cuenta de la fecha.
Me parece que sí.
Nuevo post

Regístrate o para poder postear en este hilo