Hola que tal abro el hilo por que hace tiempo compre unas cajas de pedales boss para meter algunos de los pedales DIY, el caso es que entre las cajas venia un DS-2 que al parecer no servia, en primera instancia lo revise y encontré con que el diodo de protección de polaridad estaba quemado y lo cambie, y seguía sin funcionar, o eso pensé yo, hasta que comenzó a hacer unos sonidos muy raros, como de fuzz pero como el fuzz factory mal ecualizado, el caso es que revisando por el foro me encontré con este hilo https://www.guitarristas.info/foros/condensador-boss-ds-2-quemado/171294/pagina2 y decidí hacer lo que el compañero goodsavemetal recomendaba, así que compre los electrolíticos y el transistor, y los cambien, pero el problema persiste continua haciendo ese ruido, para descartar problemas de coneccion revise las soldaduras de los jacks comparándolos con el esquema, por que al parecer le había metido mano el anterior dueño y algunas soldaduras estaban mal hechas, el punto es que no solucione nada con esto.
Espero y alguien me pudiera echar una mano con este pedal, ya que si me gustaría echarlo a andar, como algo adicional descubrí que si agarro con el caimán los dos extremos juntos de R51 y R52 el pedal funciona pero no como debería, con una distorsiona bastante fea
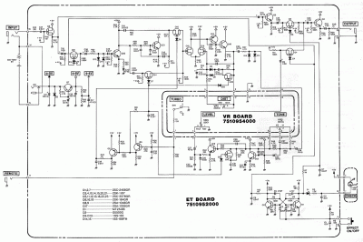
Agrego algunas fotos, la grabación de como se escucha y el esquema por si alguien me puede ayudar, de ante mano gracias
Espero y alguien me pudiera echar una mano con este pedal, ya que si me gustaría echarlo a andar, como algo adicional descubrí que si agarro con el caimán los dos extremos juntos de R51 y R52 el pedal funciona pero no como debería, con una distorsiona bastante fea
Agrego algunas fotos, la grabación de como se escucha y el esquema por si alguien me puede ayudar, de ante mano gracias
Responder
Citar

