buenas a todos...
hace mucho que no me pasaba por aqui... pero estoy por salir de vacaciones en la facultad y tengo ganas de emprenderme en este proyectito...para lo que queria pedirles algo de ayuda para poder completarlo y por supuesto compartirlo con todos uds...
este pedal...me parece que es de los favoritos entre bajistas asi probablemente a muchos les emocione la idea...tambien he escuchado por ahi que el sonido adquirido de este pedal con una guitarra es interesante...por si algun guitarrista tambien le interesa...
el asunto es que buscando por internet el layout todo hechito bonito listo para construirlo no lo he encontrado...si alguien lo tiene seria tremendo, pero como es mas seguro que no... tengo ganas de hacerlo yo...y luego compartirlo...
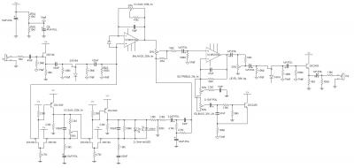
asi que encontre el esquematico y estuve analizandolo antes de empezar el proyecto...primero estuve averiguando un poco sobre su op amp... m5218...resulta ser aparentemente un operacional de doble alimentacion...no se si este es adquisible en la tienda... si alguien lo sabe??...de todos modos estuve buscnado por posibles reemplazos y encontre un candidato.... LM4562...pero parece que no es de doble alimentacion... si alguien nos ayuda con esta parte mejor...
luego viendo los FET 2sk184... todavia no se si son adquisibles...pero no creo que haya mayor complicacion en conseguir un reemplazo si no lo fuese...
por ultimo la verdadera duda que espero me puedan ayudar...
en el diagrama...vemos que en el Gate de los FET en el IN y el del OUT, solo hay un diodo al aire... ???? que se supone que hacemos aqui??
en fin... ansio leer sus respuestas... en cuanto yo averigue mas, tambien lo posteare
saludos...
hace mucho que no me pasaba por aqui... pero estoy por salir de vacaciones en la facultad y tengo ganas de emprenderme en este proyectito...para lo que queria pedirles algo de ayuda para poder completarlo y por supuesto compartirlo con todos uds...
este pedal...me parece que es de los favoritos entre bajistas asi probablemente a muchos les emocione la idea...tambien he escuchado por ahi que el sonido adquirido de este pedal con una guitarra es interesante...por si algun guitarrista tambien le interesa...
el asunto es que buscando por internet el layout todo hechito bonito listo para construirlo no lo he encontrado...si alguien lo tiene seria tremendo, pero como es mas seguro que no... tengo ganas de hacerlo yo...y luego compartirlo...
asi que encontre el esquematico y estuve analizandolo antes de empezar el proyecto...primero estuve averiguando un poco sobre su op amp... m5218...resulta ser aparentemente un operacional de doble alimentacion...no se si este es adquisible en la tienda... si alguien lo sabe??...de todos modos estuve buscnado por posibles reemplazos y encontre un candidato.... LM4562...pero parece que no es de doble alimentacion... si alguien nos ayuda con esta parte mejor...
luego viendo los FET 2sk184... todavia no se si son adquisibles...pero no creo que haya mayor complicacion en conseguir un reemplazo si no lo fuese...
por ultimo la verdadera duda que espero me puedan ayudar...
en el diagrama...vemos que en el Gate de los FET en el IN y el del OUT, solo hay un diodo al aire... ???? que se supone que hacemos aqui??
en fin... ansio leer sus respuestas... en cuanto yo averigue mas, tambien lo posteare
saludos...
Responder
Citar
