ok, de cierta forma había preguntado con anterioridad pero lo di por resuelto y el caso es que no.
esporádicamente mi amplificador empezaba apagarse de pronto cada vez mas seguido hasta que se apagaba bueno eso pensaba, pero en realidad se apagaba el led y las válvulas de previo dejaban de funcionar. pero las de potencia seguían prendidas. y es así como continua valvulas de previo sin funcionar y y potencia funcionando.
es un vox nt15 (si ya me ha dado varios dolores de cabeza)
ruidos como síntomas.
ruido de potenciómetro sucio
ruido de fonógrafo
después de uno de esos ruidos de fonógrafo fue que dejo escucharse y se apagaron las válvulas y el led.
lo que he hecho
cambiar potenciómetro del volumen maestro estaba muy suelto.
checar soldaduras, y resoldar, encontré unas agrietadas en las válvulas de potencia y una francamente suelta,
cambiar válvulas de previo tres veces.
reparar terminal negativa del cable del led,
y funcionó sin dar problemas hasta hace dos días.
Pensé que algo esta en corto pero por más que revise la placa no he encontrado partes de la placa carbonizadas o componentes.
ideé inducir voltaje de 3 v al led y prende, si estuviera alli el corto o el falso contacto no prendería cierto?
y si conecto terminal negativa del led a la batería y con el positivo voy rastreando la línea hasta los capacitores c13 y el led prende .
ahora
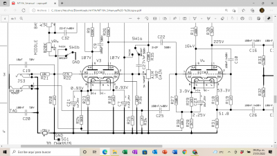
voltajes
v3
pin 1: 146 v
pin 2 : 118 v
pin 3: 0 v
pin 4: -3.70 v
pin 5: -3.70 v
pin 6 : 290 v
pin 7: 0 v
pin 8 : 0 v
pin 9 : - 3.70 v
v4
pin 1: 312
pin 2: -0
pin 3: 0
pin 4: -3.70
pin 5: -3.70
pin 6: 301
pin 7: 0
pin 8: 0
pin 9 : -3.70
válvulas de potencia 10.20 y 10.22 volts
y bueno fui a rectificar medición de voltaje y las válvulas de previo están frías no elevan temperatura y el led sin prender.
alguna idea?
gracias por todo
esporádicamente mi amplificador empezaba apagarse de pronto cada vez mas seguido hasta que se apagaba bueno eso pensaba, pero en realidad se apagaba el led y las válvulas de previo dejaban de funcionar. pero las de potencia seguían prendidas. y es así como continua valvulas de previo sin funcionar y y potencia funcionando.
es un vox nt15 (si ya me ha dado varios dolores de cabeza)
ruidos como síntomas.
ruido de potenciómetro sucio
ruido de fonógrafo
después de uno de esos ruidos de fonógrafo fue que dejo escucharse y se apagaron las válvulas y el led.
lo que he hecho
cambiar potenciómetro del volumen maestro estaba muy suelto.
checar soldaduras, y resoldar, encontré unas agrietadas en las válvulas de potencia y una francamente suelta,
cambiar válvulas de previo tres veces.
reparar terminal negativa del cable del led,
y funcionó sin dar problemas hasta hace dos días.
Pensé que algo esta en corto pero por más que revise la placa no he encontrado partes de la placa carbonizadas o componentes.
ideé inducir voltaje de 3 v al led y prende, si estuviera alli el corto o el falso contacto no prendería cierto?
y si conecto terminal negativa del led a la batería y con el positivo voy rastreando la línea hasta los capacitores c13 y el led prende .
ahora
voltajes
v3
pin 1: 146 v
pin 2 : 118 v
pin 3: 0 v
pin 4: -3.70 v
pin 5: -3.70 v
pin 6 : 290 v
pin 7: 0 v
pin 8 : 0 v
pin 9 : - 3.70 v
v4
pin 1: 312
pin 2: -0
pin 3: 0
pin 4: -3.70
pin 5: -3.70
pin 6: 301
pin 7: 0
pin 8: 0
pin 9 : -3.70
válvulas de potencia 10.20 y 10.22 volts
y bueno fui a rectificar medición de voltaje y las válvulas de previo están frías no elevan temperatura y el led sin prender.
alguna idea?
gracias por todo
Responder
Citar
