Buenas tardes! Llevo varios meses repintando mi guitarra y ahora que la he acabado me gustaría recablearla de una vez por todas y ponerme a tocarla. El problema surge de que el diagrama que tenía hecho en papel con la posicion de todos los cables y las conexiones me ha desaparecido y no tengo cómo volver a soldar todo.
He buscado en los esquemas de Seymour Duncan pero no aparece, ni en google imágenes.
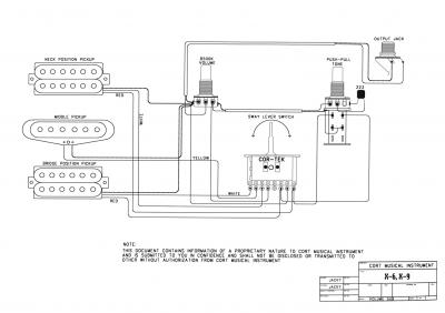
Tengo una Cort X-6 con:
2 humbucker (una en el mástil y otra en el puente), 1 single coil en la posición central, 1 selector de 5 posiciones, 1 pote de volumen y 1 pote de tono push/pull.
Me gustaría que me ayudaseis a devolverle la vida a la guitarra puesto que yo con la elctrónica soy horrible y no quiero cargarme nada. En un momento subiré fotos con los componentes.
Un saludo y mil gracias de antemano!
He buscado en los esquemas de Seymour Duncan pero no aparece, ni en google imágenes.
Tengo una Cort X-6 con:
2 humbucker (una en el mástil y otra en el puente), 1 single coil en la posición central, 1 selector de 5 posiciones, 1 pote de volumen y 1 pote de tono push/pull.
Me gustaría que me ayudaseis a devolverle la vida a la guitarra puesto que yo con la elctrónica soy horrible y no quiero cargarme nada. En un momento subiré fotos con los componentes.
Un saludo y mil gracias de antemano!
Responder
Citar
