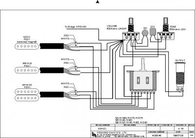
Saludos, tengo un problema, tengo una guitarra cort stratocaster de los 80 y le he puesto una pastilla doble en el puente, esta tiene 3 cables masa, rojo y blanco y no se como conectarlos los he conectado de varias formas pero mete un ruidaco la masa que no veas aver si hay alguien que sepa y me lo explique por favor estoy al borde del
la guitarra tiene dos pastillas simples con masa y 1 cable blanco cada una y la doble hambucker 3, 2 tonos, 1 volumen y el seleccionador de pastillas es de 5 posiciones, ayuda por favor y gracias de antemano, saludos
la guitarra tiene dos pastillas simples con masa y 1 cable blanco cada una y la doble hambucker 3, 2 tonos, 1 volumen y el seleccionador de pastillas es de 5 posiciones, ayuda por favor y gracias de antemano, saludos
Responder
Citar
