Hola guitarreros.
Solicito vuestra ayuda sobre como hacer la conexion de unas humbucker que he pillado.
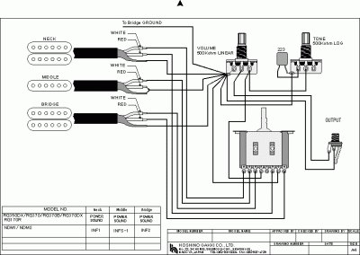
Las que voy a quitar tienen 3 cables (rojo, blanco y malla) y las que voy a colocar solo 2 (blanco y maya), es decir me falta un cable.
No tengo ni idea de donde va el blanco en el selector de 5 posiciones, aunque supongo que en el mismo lugar que ahora, pero sinceramente no lo se.
Adjunto un esquema real de la instalacion actual para clarificar el tema.
Lo que necesito exactamente es saber donde sueldo el blanco de las nuevas pastillas y la maya.
Muchisimas gracias y feliz Navidad.
Por cierto la idea es sustituir unas Ibanez INF1 y INF2 por unas Fender MIJ Dragster (las que trae la Jaguar HH).
Igual estoy haciendo un disparate, las ibanez me suenan muy frias y oscuras, sobre todo la del mastil, en fin, agradezco cualquier opinion al respecto.
Solicito vuestra ayuda sobre como hacer la conexion de unas humbucker que he pillado.
Las que voy a quitar tienen 3 cables (rojo, blanco y malla) y las que voy a colocar solo 2 (blanco y maya), es decir me falta un cable.
No tengo ni idea de donde va el blanco en el selector de 5 posiciones, aunque supongo que en el mismo lugar que ahora, pero sinceramente no lo se.
Adjunto un esquema real de la instalacion actual para clarificar el tema.
Lo que necesito exactamente es saber donde sueldo el blanco de las nuevas pastillas y la maya.
Muchisimas gracias y feliz Navidad.
Por cierto la idea es sustituir unas Ibanez INF1 y INF2 por unas Fender MIJ Dragster (las que trae la Jaguar HH).
Igual estoy haciendo un disparate, las ibanez me suenan muy frias y oscuras, sobre todo la del mastil, en fin, agradezco cualquier opinion al respecto.
3
Responder
Citar

