Ayuda para cambio Pastillas Seymour Duncan en Ibanez S470

joanelius
por el 27/08/2017
Muy buenas a todos.
De Pascuas a Ramos escribo por aquí para consultar dudas. Por desgracia mi conocimiento sobre la guitarra es nulo ( no sé de electricidad ni de música) a pesar de llevar años aporreando el instrumento, por lo que poco puedo aportar al foro para solucionar dudas y sólo aparezco por aquí para solucionar las mías. Lo siento y gracias de antemano a quienes me ayudéis con mi duda.

También decir que he buscado en el buscador y no he encontrado nada al respecto sobre mi duda. Nada que me solucione.

El caso es que poseo una S470 de Ibanez, con la que estoy muy muy contento y por ello quiero mejorarla con la instalación de unas pastillas SD Pearly Gates en el puente, como prueba para ver qué tal suenan y si ando contento instalar la del mástil. El caso es que no sé cómo instalarlas. Me sobran cables en la SD y no sé cómo soldarlos para mantener las posiciones del selector.

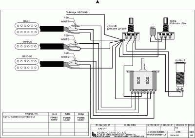
Me podría decir alguien qué cable ha de soldarse en qué parte atendiendo a las fotos de los diagramas y cables de Ibanez y SD que dejo a continuación? Recuerdo que mis conocimientos son nulos, por lo que respuestas en plan " negro a la tercera patilla, rojo a la última, verde en la patilla de volumen donde están todos, etc..." serán bienvenidas.

Indicar que he soldado los cables de la siguiente manera, y me da que está mal:
- verde y plata (pelado/bare) a la tercera patilla del selector.
- blanco y rojo a la octava
- negro al pote de volumen, a la primera patilla.

Nota: patilla 1 del selector me refiero a la de la pastilla del puente.

Muchas gracias y espero vuestras respuestas.
Archivos adjuntos ( para descargar)
pickup-wiring-diagrams-ibanez-hsh-wiring-diagram-ibanez-hsh-diagrams-database.jpg
Duncan,Gibson,Fender,Ibanez,EMG,Gotoh,Dean,GFS,DiMarzio Pickup Diagram.jpg
OFERTAS EN TIENDAS Ver todas
  • -13%
    Harley Benton SC-Custom III Baritone
    349 €
    Ver oferta
  • -14%
    Harley Benton SC-Custom III Quilt Midnight
    299 €
    Ver oferta
  • -11%
    Harley Benton Agufish STD Signature BK
    399 €
    Ver oferta
SEGUNDA MANO EN MERCASONIC Ver todo
  • Guitarra electrica Ephipone les Paul standard 50S
    470 €
    Ver
  • Digeridoo luthier
    100 €
    Ver
  • Carl's Custom Guitars Speaker Soak
    40 €
    Ver
¿Tienes equipo que ya no usas? Véndelo en Mercasonic
Escalante
por el 28/08/2017
Buenas,

si lo has soldado así y te suena mal, posiblemente la hayas puesto con la fase cambiada.

Una pregunta, ¿te suena mal sóla o cuando la utilizas en combinación con la simple del medio? Si están mal se nota mucho, porque hay mucha diferencia entre el volumen de una posición a otra.

Una prueba muy sencilla es cambiar el par Rojo/Blanco por el Negro, dejando la tierra (ground) donde lo has dejado.

Yo tengo un s670 y también les cambié las Inf por una SD. La mejora de la guitarra fue brutal.

Si no lo consigues con ese cambio, abro la mía y te mando fotos para que veas cómo quedó el cableado.

Suerte compañero.
¡Caña burra y rock&roll!
joanelius
por el 28/08/2017
Pues en doble suena bien, pero en la posición 2 (combinación con la pastilla de en medio, single) suena mal, bajita y a ratos.

Cuando te refieres a cable de tierra te refieres al plateado? Este va con el verde a la tercera patilla del selector, que por lo que veo es raro en un cable de tierra.

Haré pruebas, pero si me pasas una foto te lo agradecería.

La guitarra es una pasada, son ya muchos años con ella y no la cambio por nada, cómoda y dura, pero el sonido...algo pobre, a ver si con el cambio de pastillas consigo sonido que busco.

Muchas gracias.

Adjunto un esquema que he encontrado para el cambio de Ibanez a SD pero que no me convence porque conectan a la cuarta patilla, no a la tercera.
Archivos adjuntos ( para descargar)
hsh5w_1v1t_&split2and4.pdf (applicationpdf Objeto) - Mozilla Firefox 16072011 195141.jpg
Escalante
por el 30/08/2017
Buenas,

según el primer esquema que has puesto, la tierra se conectaría al verde (junto con un cable pelado, si lo hubiere). El rojo y el blanco/plata serían el punto central de la pastilla (donde se unen las dos bobinas) y esos dos irían juntos. El negro sería el otro extremo de la pastilla.

Si en combinación con la otra pastilla suena más débil, es porque las dos pastillas están desfasadas y sus contribuciones se cancelan entre sí. Es decir, has conectado la bobina que está sonando (en mi caso, y creo que en el tuyo, cuando la palanca está en la segunda posición se activa sólo una de las dos bobinas de la guitarra) en contra fase, al revés. Por eso te comenté la posibilidad de intercambiar el par blanco/rojo con el negro, respetando la tierra (verde/pelado) en su conexión, ya que es la que menos nos puede hacer dudar.

Si tienes dudas y quieres saber si en la segunda posición de la palanca se activan una o las dos bobinas de la humbucker, basta con que, teniendo la guitarra conectada a un ampli, y la palanca en esta posición, golpées (suavemente ^^) los mics de una bobina y otra con un objeto metálico, un destornillador, por ejemplo. Con esto, notarás qué bobinas están activas y cuales no. Es bastante útil para hacer el seguimiento del conexionado.

Te dejo unas fotos de cómo quedó el conexionado de la mía (recuerdo que seguí un esquema también, pero luego tuve que ir cambiando algunas conexiones porque me pasaba lo mismo que a ti).

Saludos compañero, cualquier cosa nos vas comentado.
Caña burra & rock&roll.
Archivos adjuntos ( para descargar)
IMG_0072.JPG
IMG_0074.JPG
IMG_0075.JPG
yodaferth
por el 30/08/2017
El verde y pelado van soldados juntos en Duncan y a tierra del pote, el rojo y blanco van soldados juntos y son la división de bóbina y el negro es el que va al vivo del selector en la primera posición, como ves en el selector del compañero lleva ocho pines y son las dos partes del selector, del pote de volumen sale el vivo a la patilla 4 del selector, en a primera patilla (depende del selector) va o bien la pastilla del puente o la del mástil, en la segunda patilla va la pastillas central (siendo un selector de 5 posiciones) y en la otra (si en la primera va la del mástil en esta tercera iria la del puente, siempre soldando aquí el cable vivo de la pastilla) y luego si activamos la otra parte del selector irian soldadas las divisiones de bobina en las posiciones que correspondan equivalentes a la otra parte del selector (que suelen ir cambiadas como un espejo) eso si la central es siempre para la pastilla del medio.

No sé si me he explicado. Pero vamos has soldado la masa al vivo del selector, ahí debes soldar el cable negro el verde y pelado al pote y el rojo y blanco a la otra parte del selector (si quieres división de bóbinas, sino se encintan para que no toquen el circuito y yo las encinto alrededor del cable de la misma pastilla).

Si al mezclar con la otra pastilla del centro te da un sonido gangoso es que están fuera de fase, se desuelda el cable negro y el verde y el verde iria al vivo del selector y el negro a masa junto al pelado; pero solo si están fuera de fase, sino no.

Espero te sirva de ayuda. Por cieto el esquema que has puesto que dices que no te convence me parece que esta bien, quizás en algunos selectores hay que tirar un cable y soldar las dos posiciones centrales para que funcionen (ojo no donde va la pastilla central, sino los dos vivos centrales) las dos partes del selector, pero creo que lo han resuelto conectando el vivo del tono y del volumen con un solo cable, pero vamos sino es solo soldar un cablecito con las dos posiciones centrales.

En el caso de ir todos en línea las conexiones es más fácil sería un cable pequeño en las posiciones 4 y 5 y ya está.
joanelius
por el 01/09/2017
Pues he colocado rojo y blanco a la cuarta patilla y el verde y pelado al volumen. El negro a la octava patilla. Tal y como uno de los esquemas que he dejado. Sin embargo, cuando suena la bobina superior de la humbucker del puente junto con la central, suena muy bajita y débil, así que algo habré hecho mal. Y si sueldo el rojo y blanco a la tercera patilla se conecta toda la pastilla del puente con la del medio en la posición dos del selector.

Seguiremos probando. Pero gracias Escalante por las fotos y por la ayuda, aunque creo que si la tienes como la puse yo, rojo y blanco al tercer pin del selector, se te conectará en la segunda posición la pastilla del medio junto con la del puente entera, no la bobina superior sólo.

Yo seguiré probando y os contaré. A ver si doy con la tecla.

Gracias!!
Nuevo post

Regístrate o para poder postear en este hilo