Diseñe este cicuito basandome en varios planos obtenidos en la red,,, me gustaria que me dieran su concepto
X
Últimos días
Ayuda, esquema de ser/par y pha in/pha out
OFERTAS Ver todas
-
-45%Hughes&Kettner Spirit of Metal
-
-27%Blackstar HT-5RH MKIII
-
-37%IK Multimedia ToneX One
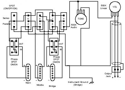
Siento decirlo, pero ese conexionado es demasiado complejo y totalmente inoperativo.
Vamos primero con la parte que es demasiado compleja: La conmutación de fases. Sobra un conmutador. Con esos tres conmutadores puedes conseguir 8 combinaciones distintas, pero en realidad solo hay 4 posibles, las otras 4 sonarán exactamente igual que las 4 primeras. Me explico: Imagínate que tienes una guitarra de una sola pastilla y le pones un conmutador para invertir la fase, el resultado será completamente nulo porque sonará exactamente igual en las dos posiciones. Pues en este caso pasa exactamente lo mismo: Si usas solamente dos conmutadores, por ejemplo en N y M, vas a tener las siguientes cuatro combinaciones (indicaré la inversión subrayando por debajo ya que no puedo subrayar por encima):
N - M - B , N - M - B , N - M - B y N - M - B
Si añadimos un tercer conmutador en B podemos conseguir otras cuatro combinaciones, que serán las cuatro anteriores pero con B en lugar de B, lo que pasa es que, por ejemplo, N - M - B sonará exactamente igual que N - M - B, así que estamos complicando el montaje para no conseguir ninguna ventaja.
Ahora vamos con la parte inoperativa, La selección serie - paralelo. Con ese montaje solo tienes dos posibilidades: Los tres conmutadores en la posición Serie para poner las tres pastillas en serie, y los tres conmutadores en la posición paralelo para poner las tres pastillas en paralelo. Cualquier otra combinación te abre el circuito y la guitarra te deja de sonar.
Siento desilusionarte. Si me dices qué es lo que quieres conseguir, a lo mejor puedo ayudarte a diseñar un conexionado operativo.
Un saludo.
Vamos primero con la parte que es demasiado compleja: La conmutación de fases. Sobra un conmutador. Con esos tres conmutadores puedes conseguir 8 combinaciones distintas, pero en realidad solo hay 4 posibles, las otras 4 sonarán exactamente igual que las 4 primeras. Me explico: Imagínate que tienes una guitarra de una sola pastilla y le pones un conmutador para invertir la fase, el resultado será completamente nulo porque sonará exactamente igual en las dos posiciones. Pues en este caso pasa exactamente lo mismo: Si usas solamente dos conmutadores, por ejemplo en N y M, vas a tener las siguientes cuatro combinaciones (indicaré la inversión subrayando por debajo ya que no puedo subrayar por encima):
N - M - B , N - M - B , N - M - B y N - M - B
Si añadimos un tercer conmutador en B podemos conseguir otras cuatro combinaciones, que serán las cuatro anteriores pero con B en lugar de B, lo que pasa es que, por ejemplo, N - M - B sonará exactamente igual que N - M - B, así que estamos complicando el montaje para no conseguir ninguna ventaja.
Ahora vamos con la parte inoperativa, La selección serie - paralelo. Con ese montaje solo tienes dos posibilidades: Los tres conmutadores en la posición Serie para poner las tres pastillas en serie, y los tres conmutadores en la posición paralelo para poner las tres pastillas en paralelo. Cualquier otra combinación te abre el circuito y la guitarra te deja de sonar.
Siento desilusionarte. Si me dices qué es lo que quieres conseguir, a lo mejor puedo ayudarte a diseñar un conexionado operativo.
Un saludo.
He revisado un poco más detenidamente el conexionado de selección de pastillas y no es totalmente inoperativo, pero sí un poco raro...
Sí que podríamos tener dos pastillas en paralelo o incluso las tres, pero en serie tendrían que ser las tres juntas. Es decir, no podemos eliminar una pastilla de la serie, porque pasaría a sonar la eliminada como pastilla única. Las 8 posibles combinaciónes serían:
(N) , (M) , (B) , (N p M) , (N p B) , (M p B) , (N p M p B) y (N s M s B).
Solo faltarían las combinaciones en serie, porque la única serie que hay (la de las 3) no sería demasiado aprovechable: la impedancia demasiado alta, muy poco brillo, demasiados graves, probablemente demasiado ruido.
Un saludo.
Sí que podríamos tener dos pastillas en paralelo o incluso las tres, pero en serie tendrían que ser las tres juntas. Es decir, no podemos eliminar una pastilla de la serie, porque pasaría a sonar la eliminada como pastilla única. Las 8 posibles combinaciónes serían:
(N) , (M) , (B) , (N p M) , (N p B) , (M p B) , (N p M p B) y (N s M s B).
Solo faltarían las combinaciones en serie, porque la única serie que hay (la de las 3) no sería demasiado aprovechable: la impedancia demasiado alta, muy poco brillo, demasiados graves, probablemente demasiado ruido.
Un saludo.
A ver qué te parece esto.
[ Imagen externa no disponible ]
Las posibilidades serían las mismas que la de tu esquema salvo por la posibilidad de las tres pastillas en serie (posibilidad que, como te he dicho, no me parece muy aprovechable). Los conmutadores de mastil y puente serían DPDT de 3 posiciones ON/OFF/ON, y el central lo he puesto como SPDT de dos posiciones aunque podría ser un simple interruptor ON/OFF. También podrías (por estética más que nada) usar un DPDT de 3 posiciones como los otros dos y cablearlo igual; pero como ya te he dicho, aunque multiplicases las combinaciones, con ellas obtendrías sonidos duplicados. Si consigues el mismo sonido con dos combinaciones distintas, creo que solo añades confusión.
Un saludo.
[ Imagen externa no disponible ]
Las posibilidades serían las mismas que la de tu esquema salvo por la posibilidad de las tres pastillas en serie (posibilidad que, como te he dicho, no me parece muy aprovechable). Los conmutadores de mastil y puente serían DPDT de 3 posiciones ON/OFF/ON, y el central lo he puesto como SPDT de dos posiciones aunque podría ser un simple interruptor ON/OFF. También podrías (por estética más que nada) usar un DPDT de 3 posiciones como los otros dos y cablearlo igual; pero como ya te he dicho, aunque multiplicases las combinaciones, con ellas obtendrías sonidos duplicados. Si consigues el mismo sonido con dos combinaciones distintas, creo que solo añades confusión.
Un saludo.
cordial saludo Despista2,, gracias por tu gran ayuda y aportes,,, lo que busco es un esquema para sacar la mayor cantidad de sonidos a mi guitarra,, espero a que me ayuden a sacar este priyecto adelante,,, acontinuación adjunto un nuevo esquema,,, espero sus comentarios y apreciaciones,, gracias nuevamente por su ayuda,,
Nuevo post
Regístrate o identifícate para poder postear en este hilo
