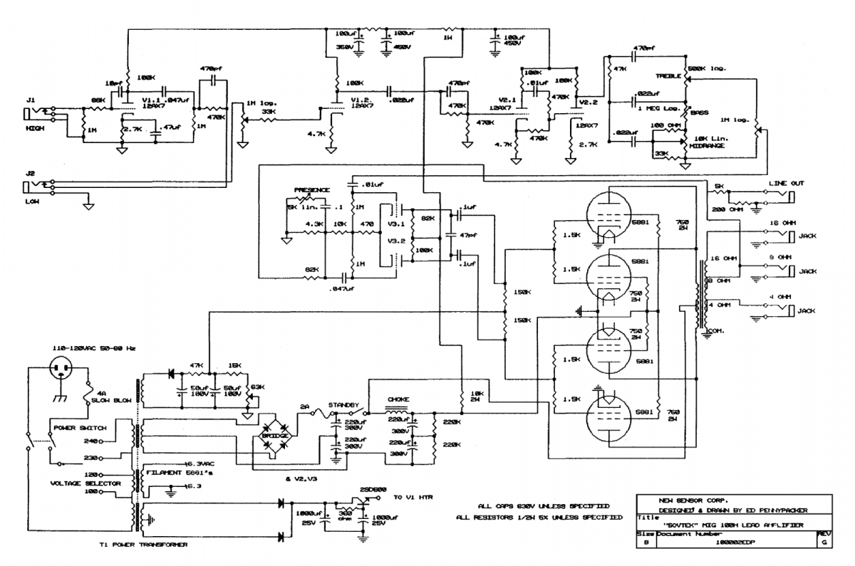
Hola, tengo un colega que acaba de pillar un Sovtek Mig100h, el amplificador tiene potencia de sobra, pero no hay practicamente nada de diferencia entre el canal high y el low, suena bastante limpio y no llega a saturar. En el local hay otros 2 y van perfecto, pero este es como si solo funcionara por el low. Vino con unas Grove Tubes GTE34LS en potencia, este amplificador lleva 5881(6l6) habitualmente. La válvula del high la hemos cambiado por unas cuantas, para descartar que sea. El canal high tiene esa válvula para saturar, así que supongo que todo venga de esa zona. Os dejo unas fotos, a ver si alguien ha tenido el mismo problema o ve algo raro ahí. Gracias¡¡¡






Responder
Citar

.....