Muy buenas!
Soy Fran, guitarrista de BlackØwl, un grupo joven de Hard Rock de Barcelona.
Escribo para comentar una inquietud que tengo y estoy seguro que este foro es el mejor lugar para hacerlo.
Tengo un Marshall MG30Fx con el que empecé a tocar hace ya unos cuantos años y que quiero darle una nueva vida, a ver si es posible.
Hace un tiempo me compré una PODGo de Line6 para cuando tenemos que viajar y compartir el backline, tener siempre el sonido a mi medida y con mis efectos. He conseguido un sonido bastante cerca de lo que siempre suelo usar con mi JCM y uso la Line6 con el canal de LoopFx de los cabezales para pasarla solo por el CAB y estoy muy muy contento y me ha salvado de alguna buena.
A veces también suelo ir a garitos o a tocar por ahí un poco mas de pachangueo y llevarme la 4x12 y el cabezal no es factible, o bien por espacio o por comodidad y llevando la POD pasada por línea suelo no escucharme en el escenario.
Ahora viene la parte del experimento.
Es posible de alguna manera, haciendo algo de modding(tengo experiencia en soldadura pero no tanta en electrónica de amplificadores) añadir una entrada de Loop Fx o algún tipo de entrada extra que me permita saltarme el PRE del ampli (aunque desconozco si estos digitales tiene ese tipo de circuitos) y que me lleve directamente la señal al PowerAmp y controlarla con el master? Básicamente aprovechar el cono del Marshall y luego con la POD darle el sonido del cabezal desactivando el CAB como suelo hacer.
O si en su defecto, es complejo fabricar algún pequeño circuito que conectándolo al speaker del marshall pueda meterle la POD.
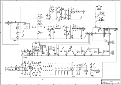
Si no me equivoco este esquema es el que pertenece al ampli.
Ojala podamos hacer algún invento o bien bajarme de la nube y ver que esto no es factible.
Mil gracias!
Soy Fran, guitarrista de BlackØwl, un grupo joven de Hard Rock de Barcelona.
Escribo para comentar una inquietud que tengo y estoy seguro que este foro es el mejor lugar para hacerlo.
Tengo un Marshall MG30Fx con el que empecé a tocar hace ya unos cuantos años y que quiero darle una nueva vida, a ver si es posible.
Hace un tiempo me compré una PODGo de Line6 para cuando tenemos que viajar y compartir el backline, tener siempre el sonido a mi medida y con mis efectos. He conseguido un sonido bastante cerca de lo que siempre suelo usar con mi JCM y uso la Line6 con el canal de LoopFx de los cabezales para pasarla solo por el CAB y estoy muy muy contento y me ha salvado de alguna buena.
A veces también suelo ir a garitos o a tocar por ahí un poco mas de pachangueo y llevarme la 4x12 y el cabezal no es factible, o bien por espacio o por comodidad y llevando la POD pasada por línea suelo no escucharme en el escenario.
Ahora viene la parte del experimento.
Es posible de alguna manera, haciendo algo de modding(tengo experiencia en soldadura pero no tanta en electrónica de amplificadores) añadir una entrada de Loop Fx o algún tipo de entrada extra que me permita saltarme el PRE del ampli (aunque desconozco si estos digitales tiene ese tipo de circuitos) y que me lleve directamente la señal al PowerAmp y controlarla con el master? Básicamente aprovechar el cono del Marshall y luego con la POD darle el sonido del cabezal desactivando el CAB como suelo hacer.
O si en su defecto, es complejo fabricar algún pequeño circuito que conectándolo al speaker del marshall pueda meterle la POD.
Si no me equivoco este esquema es el que pertenece al ampli.
Ojala podamos hacer algún invento o bien bajarme de la nube y ver que esto no es factible.
Mil gracias!
Responder
Citar

