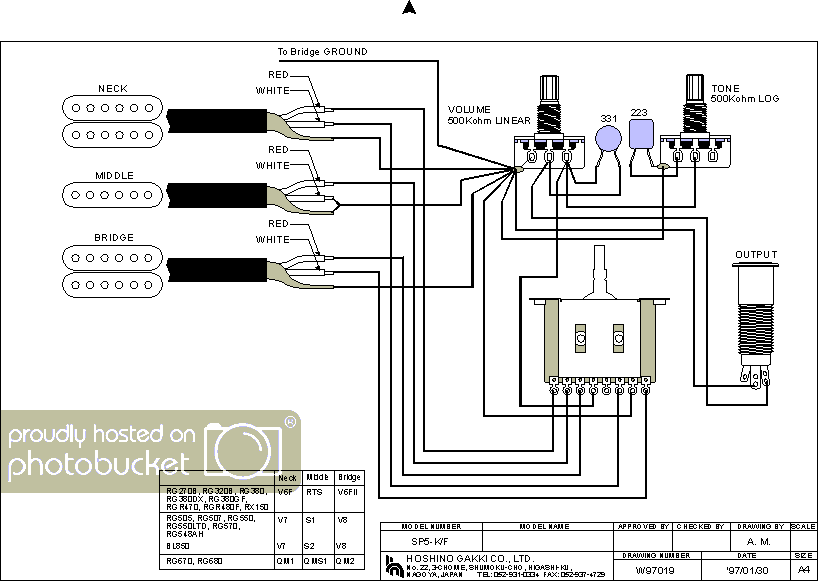
compre una rg 470 japan usada y tiene los micros mal conectados son los micros originales los v7 s1 y v8 ibanez designed agradeceria me facilitaran los diagramas para conectarlo bien gracias de antemano
Alguien tiene los diagramas de conexion de los pick ups v7-s1-v8
OFERTAS EN TIENDAS Ver todas
-
-14%Harley Benton SC-Custom III Moritz Yellow
-
-15%Darkglass Microtubes X
-
-6%Electro Harmonix Bass Preacher
¿Tienes equipo que ya no usas? Véndelo en Mercasonic
¿Hay algún problema de incomprensión lectora? ¿Que pinta esto en el subforo Zoom?
Merece que se borre la respuesta
Merece que se borre la respuesta
Nuevo post
El topic está cerrado y no se admiten respuestas
