Buenas chavales.
Bueno, estoy otra vez a vueltas con este ampli. Le quiero cambiar las válvulas de potencia que son chungas y tengo una duda. Aunque phakkito me dejó claro que no es clase A por un tema básico de construcción, no tengo claro que pueda comportarse como tal no en el sonido sino en el tema de ajuste de bias, que en teoría un clase A no necesita y que el fabricante remarca que no es necesario.
Os pongo una imagen del manual de Ashdown donde dice que no es necesario el ajuste. ¿Me fío? Voy jodidillo de pasta para ir al técnico y si es posible me las cambio yo.
No sé si se ve bien, pone Class A auto bias.
[ Imagen externa no disponible ]
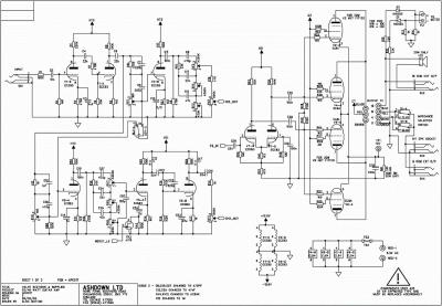
Bueno, estoy otra vez a vueltas con este ampli. Le quiero cambiar las válvulas de potencia que son chungas y tengo una duda. Aunque phakkito me dejó claro que no es clase A por un tema básico de construcción, no tengo claro que pueda comportarse como tal no en el sonido sino en el tema de ajuste de bias, que en teoría un clase A no necesita y que el fabricante remarca que no es necesario.
Os pongo una imagen del manual de Ashdown donde dice que no es necesario el ajuste. ¿Me fío? Voy jodidillo de pasta para ir al técnico y si es posible me las cambio yo.
No sé si se ve bien, pone Class A auto bias.
[ Imagen externa no disponible ]
Responder
Citar
